MAX2511200~440 MHz收发器

📅 发布时间:2013-09-29 20:05 👁️ 浏览:0 🏷️ 标签: 2511200 MAX 440 MHz

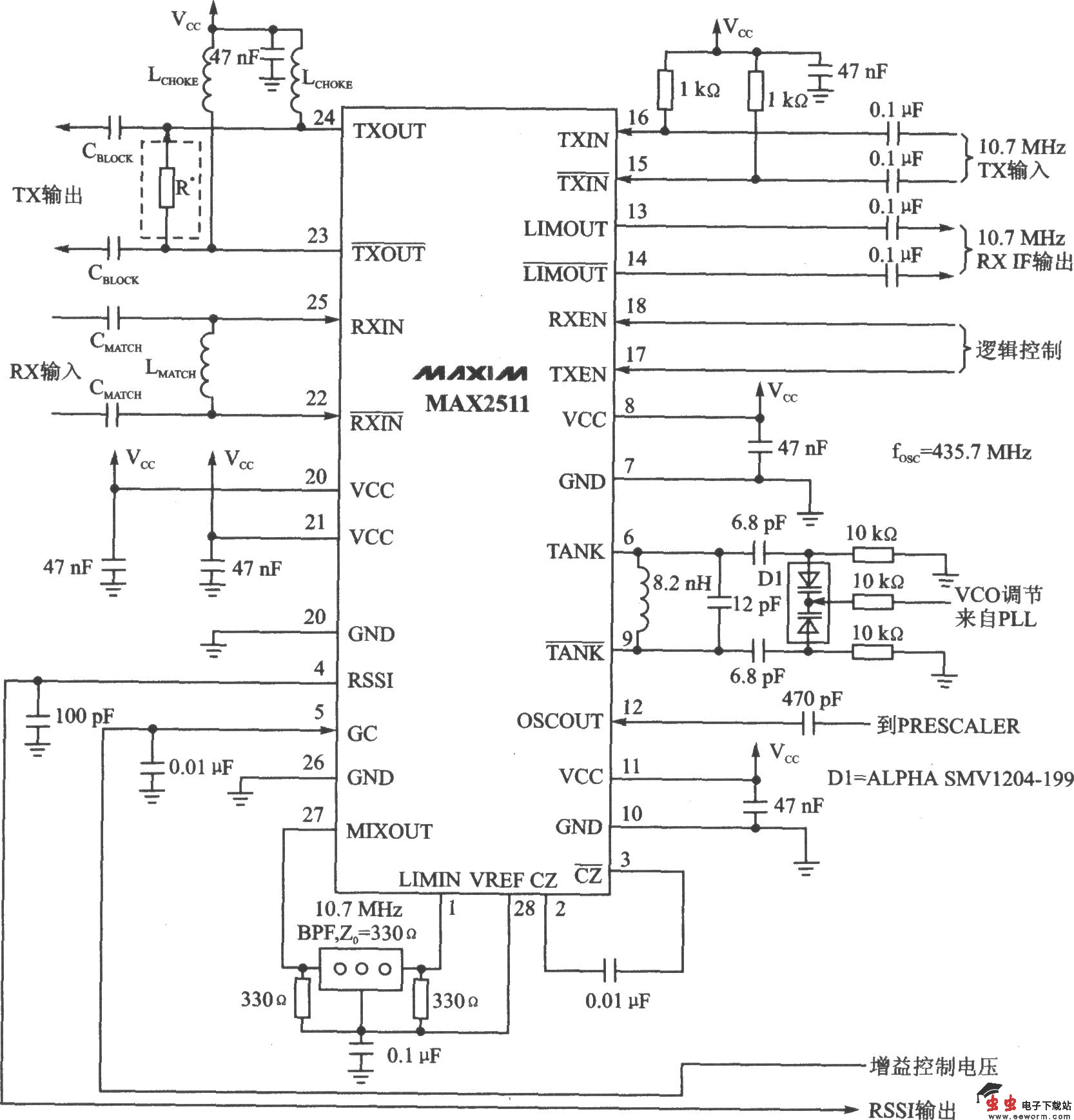
MAX2511是一款完全集成的、采用双重变换结构的IF收发器,工作在200~440 MHz频段。它适合PWTl900无线手持机和基站设备、PACS/PHS/DECT及其他PCS无线手持机和基站设备、400 MHz ISM无线收发器、lF收发器和无线数据链接等应用。 主要技术特点如下: ·电源电压为 2.7~ 5.5 V; ·完全的接收通道,第l级IF为200~440 MHz,第2级IF为8~13 MHz; ·限幅器使用差分输出; ·完全的发射通道,第l级IF为8~13 MHz,第2级IF为200~440 MHz; ·RSSl范围为90 dB; ·芯片上具有振荡器、电压调节器和缓冲器; ·具有4种电源管理模式; ·待机模式电流消耗为0.1 μA。

MAX2511200~440 MHz收发器 

觉得这篇文章有帮助吗?