MICRF500是一款用于ISM(工业、科学和医药)和SRDC(短距离设备)的专用收发器芯片。它可应用在遥测、远距离测试仪表、无线控制、无线数据中继、无线调制/解调器和线安全系统中。 主要技术特点: ·工作频率为700~1000 MHz; ·FSK(频移键控)调制; ·数据传输速率达l28 Kb/s; ·RF输出功率为10 dBm; ·灵敏度(19.2 Kb/s,BER=10-3)为-l04 dBm。
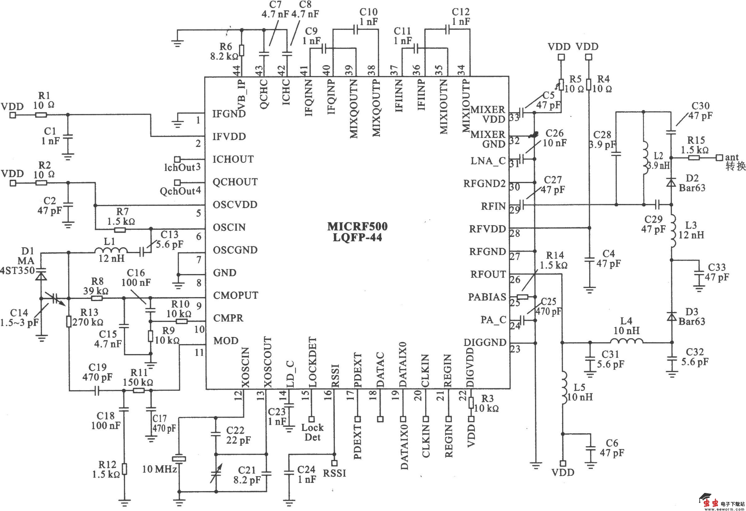
MICRF500 的应用电路
MICRF500是一款用于ISM(工业、科学和医药)和SRDC(短距离设备)的专用收发器芯片。它可应用在遥测、远距离测试仪表、无线控制、无线数据中继、无线调制/解调器和线安全系统中。 主要技术特点: ·工作频率为700~1000 MHz; ·FSK(频移键控)调制; ·数据传输速率达l28 Kb/s; ·RF输出功率为10 dBm; ·灵敏度(19.2 Kb/s,BER=10-3)为-l04 dBm。
MICRF500 的应用电路