CCl020为极低耗、极低电压的无线应用而设计的单片UHF收发器芯片。CCl020符合EN 300 220及FCC CFR47 15部分标准。它主要应用于ISM(工业、科研和医疗)频带和在426/429/433/868/915 MHz频带的SRD(Short Range Device—近距离设备)中,也可以经编程后用于频率为424~470 MHz和848~940 MHz的多信道设备中。CCl020特别适合窄带系统、跳频系统应用,也适合AMR一自动抄表系统、无线保安及防盗系统、家居智能化和低功率遥感勘测应用。 主要技术特点如下: ·工作频率为424~470 MHz和848~940 MHz; ·ASK、FSK和GFSK数据调制方式; ·数据传输速率高达153.6 Kb/s; ·灵敏度可达-119 dBm(在12.5 kHz带宽的信道中); ·电源电压为2.3~3.6 V; ·电流消耗:接收模式为17 mA,发射模式为24 mA(P=2 dBm),低功耗模式为0.2μA; ·主要的工作参数可以通过串行总线接口编程,如输出功率、频率及AFC等; ·采用基于Chipcon公司Smart RF技术的0.35μm CMOS工艺制造; ·提供便于使用的CCl020数据设置软件和开发工具箱。
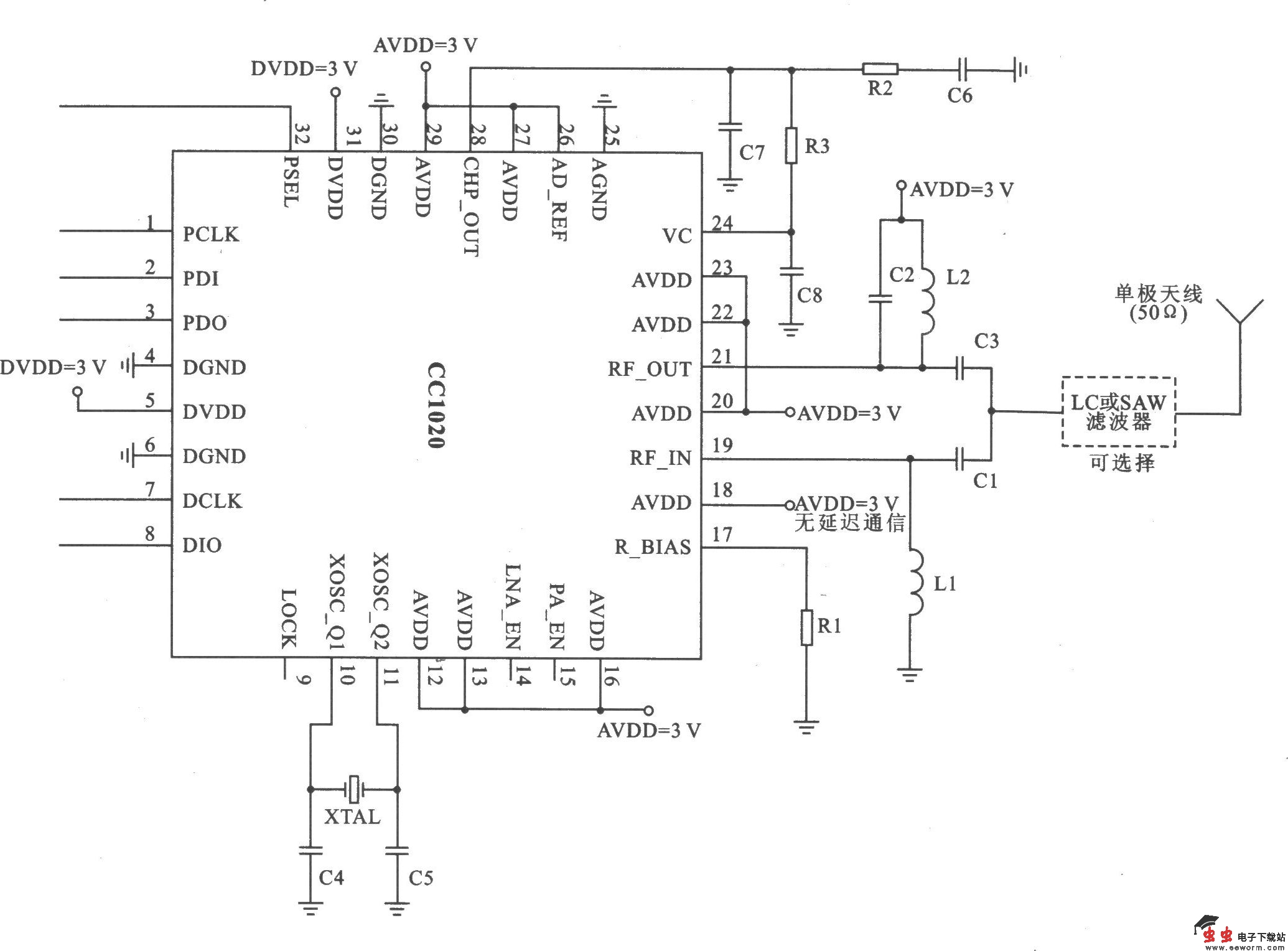
CCl020应用电路 CCl020应用电路元器件功能与参数
