T2803/T2813 WDECT/NDCT 2.5 GHz收发器

📅 发布时间:2013-09-29 17:45 👁️ 浏览:0 🏷️ 标签: WDECT 2803 2813 NDCT

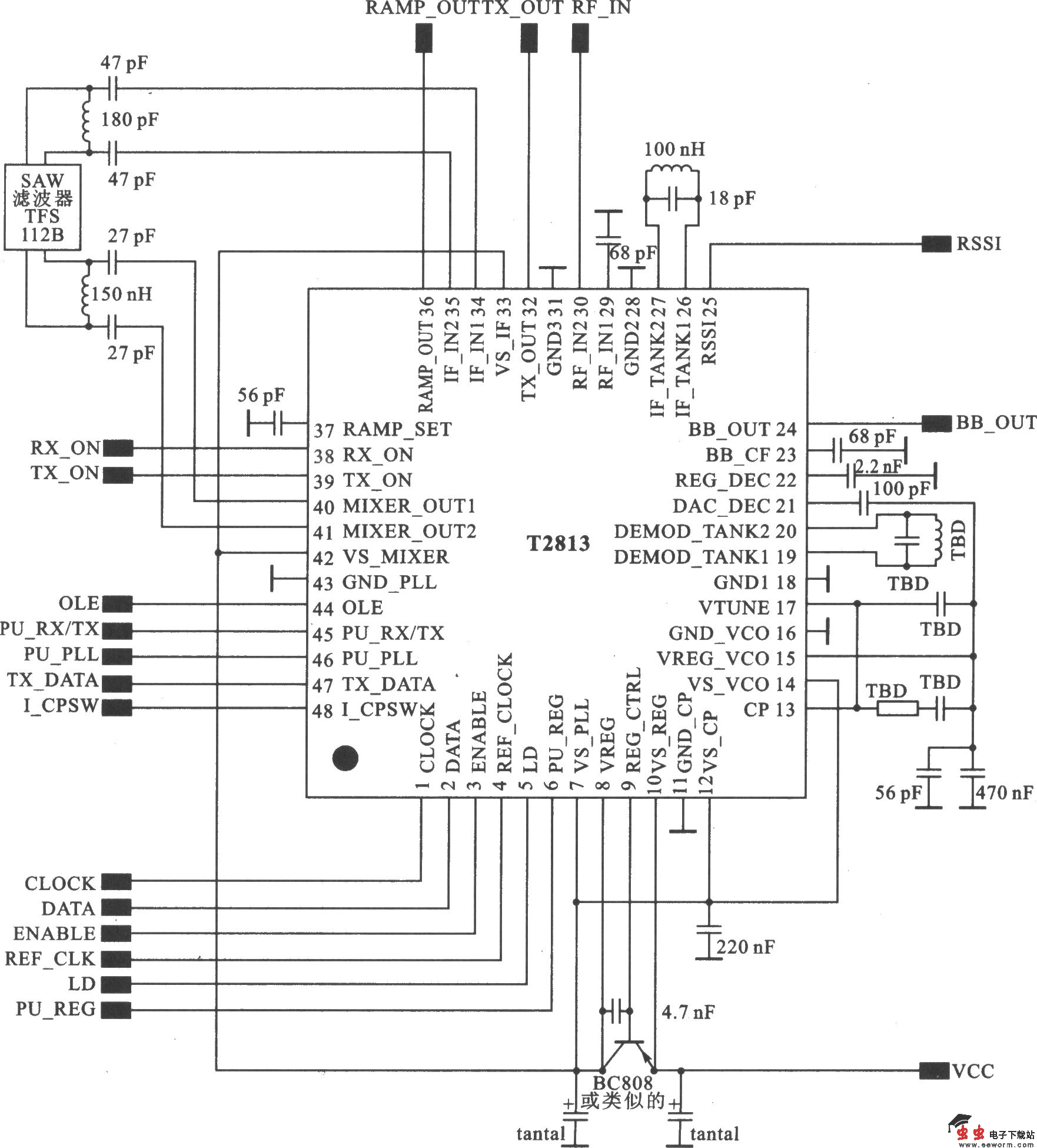
T2803/T2813是应用在2.45 GHz ISM频段的收发器。 主要技术特点如下: . ·工作频率为2.45 GHz; ’ ·窄带数据传输速率为576 Kb/s(T2813); ·电源电压为3~4.6 V; ·片内辅助稳压器电压为3.2~4.6 V; ·低电流消耗,接收电流为85 mA,发射电流为54 mA,待机电流为l0μA; ·支持多种基准时钟频率(10.368/13.824 MHz); ·合成器频率宽度可设置(信道间隔为864 kHz); ·发射前置放大器在2.45 GHz有3 dB输出功率(4个可编程功率级别); ·在生产中不需要机械调谐。

 

T2813的应用电路

觉得这篇文章有帮助吗?