T2801/T2802 DECT/WDECT l.9/2.5 GHz收发器

📅 发布时间:2013-09-29 17:30 👁️ 浏览:0 🏷️ 标签: WDECT 2801 2802 DECT

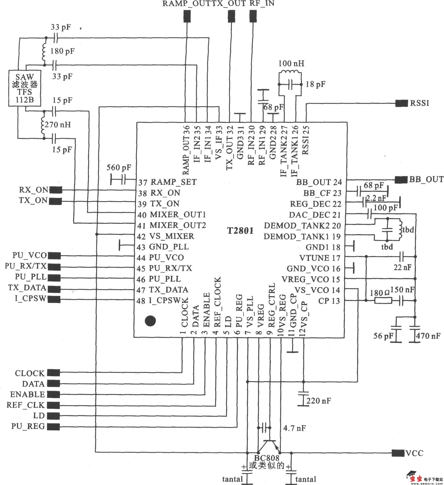
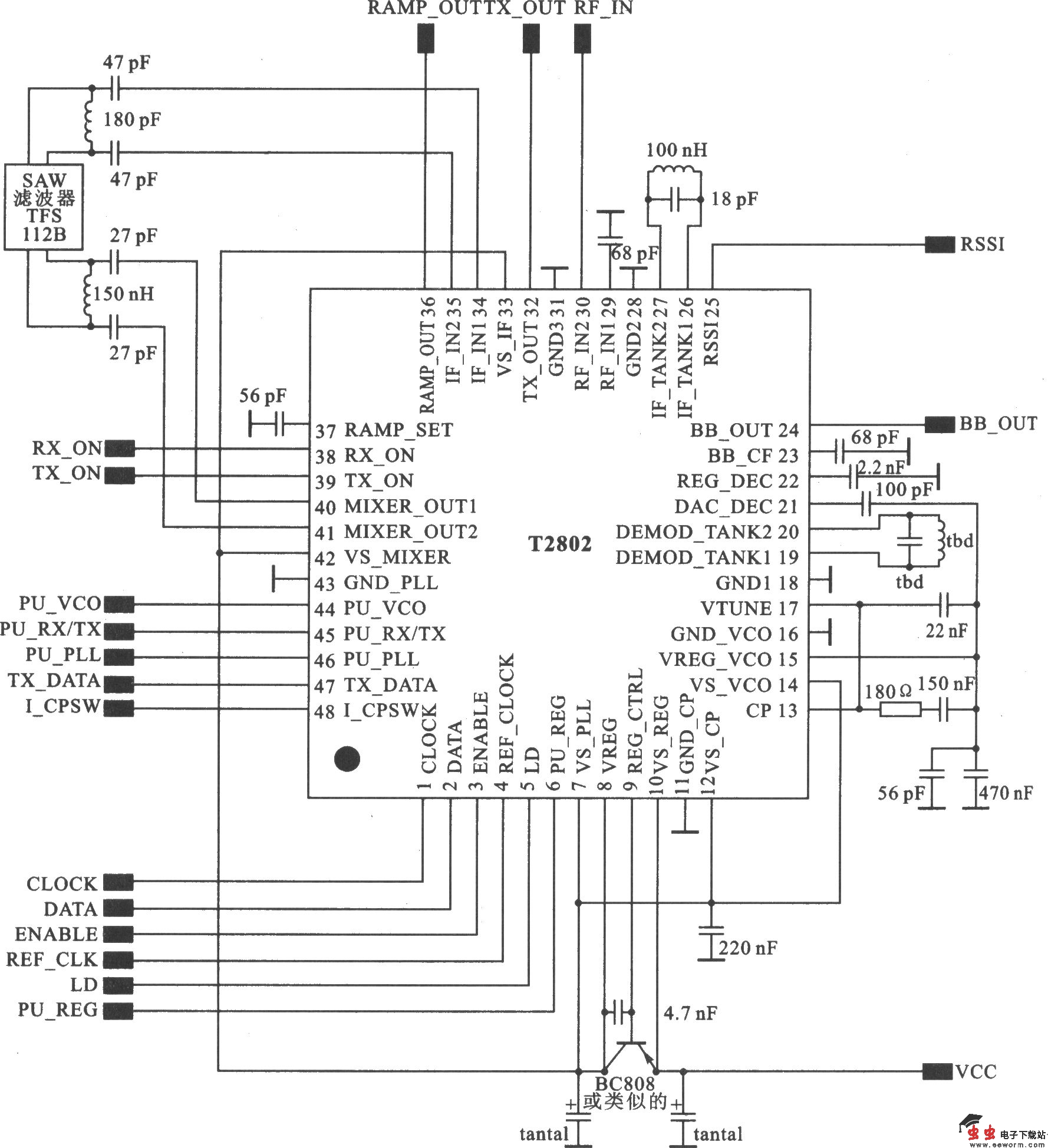
T2801是一款应用在1881~1934 MHz ISM频段的收发器。T2802是一款应用在2400~2500 MHz ISM频段的收发器。 主要技术特点如下: ·电源电压为3.2~4.6 V; ·片内辅助稳压器电压为3~4.6 V; ·发射驱动放大器最大输出功率为3 dBm; ·接收电流为85 mA,发射电流为54 mA,待机电流为l0μA; ·支持多种基准时钟频率(10.368/13.824/20.736/27.648 MHz); ·在生产中不需要机械调谐。

 

T2801的典型应用电路

 

T2802的典型应用电路

觉得这篇文章有帮助吗?