由NE561B构成的双边带调制解调器

📅 发布时间:2013-09-29 09:15 👁️ 浏览:1 🏷️ 标签: 561B 561 NE 双边带调制

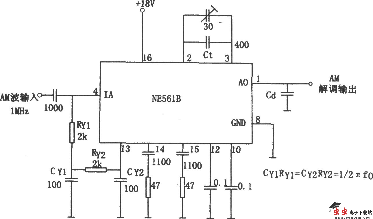
如图所示为由NE561B构成的双边带调制解调电路。该电路输入调制信号的载波频率f0=1MHz。AM调制信号加在乘法器输入端的同时,也通过Rv1、CY1、RY2和CY2加到相位检波电路上,并把PLL的VCO的频率锁定在f0上。

觉得这篇文章有帮助吗?