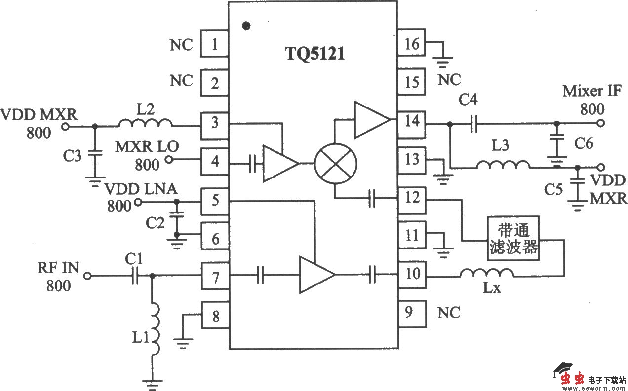
TQ5121 TDMA/AMPS 894~869 MHz接收器

📅 发布时间:2013-09-29 06:20 👁️ 浏览:0 🏷️ 标签: 5121 TDMA AMPS 894

TQ5121是3 V RF接收器芯片,是专门为蜂窝频段TDMA应用而设计的。其RF特性符合IS-136和AMPS标准产品设计的要求。TQ5121和TQ9222兼容,适合IS-136、AMPS移动电话和ISM频段应用。 主要技术特点如下: ·双频段TDMA接收; ·工作频率为869~894 MHz; ·增益为l7.5 dB; ·噪声系数为2.7 dB; ·输入第三截点为-8.5 dBm; ·单电源(3 V)工作; ·直流电源电流为l0.0 mA; ·最大功耗为500 mw。

 

TQSl21的应用电路 TQ5121应用电路的元器件

 

觉得这篇文章有帮助吗?