TQ5135 CDMA/AMPS 894~832 MHz接收器

📅 发布时间:2013-09-29 06:05 👁️ 浏览:0 🏷️ 标签: 5135 CDMA AMPS 894

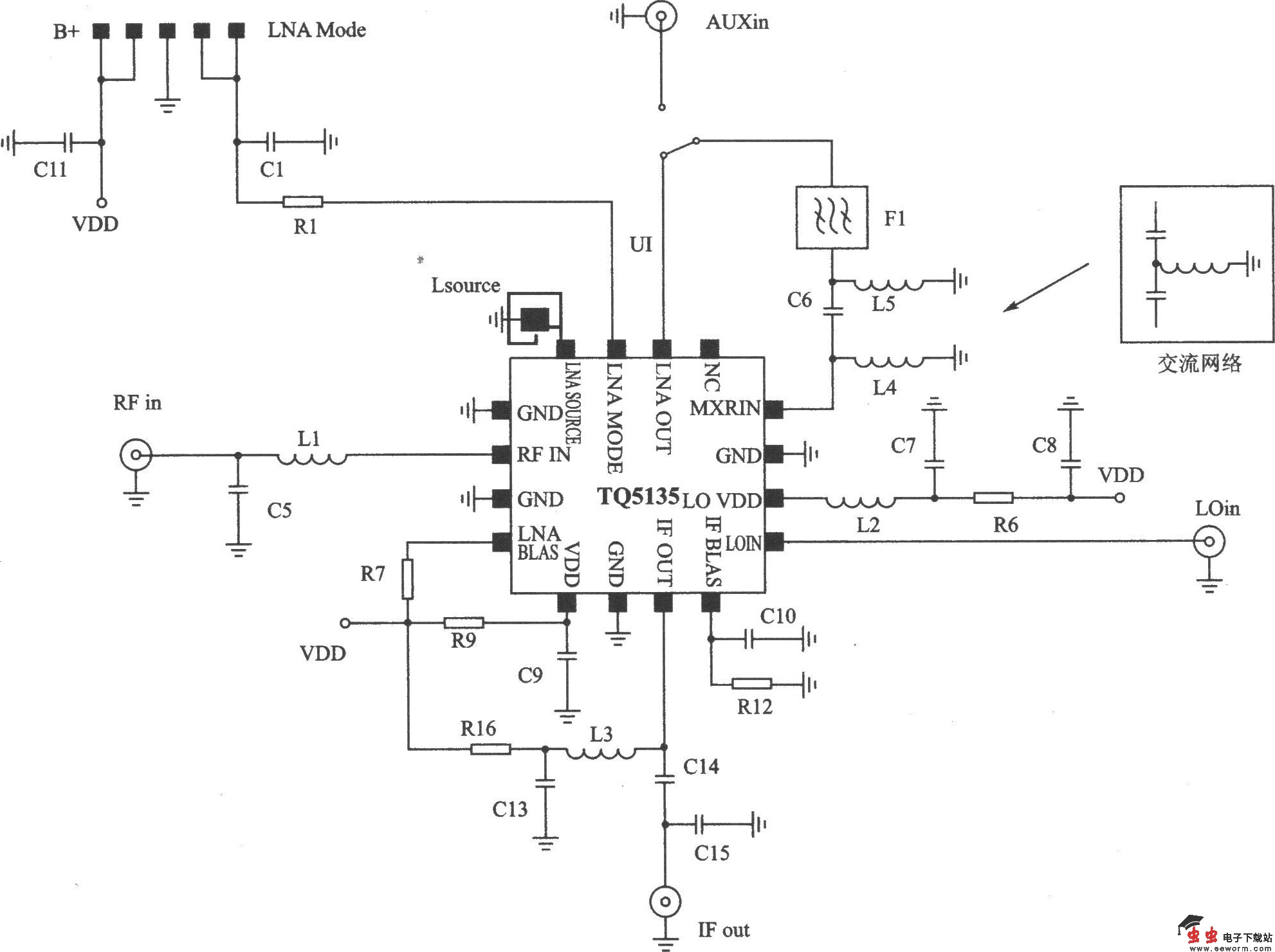
TQ5135是韩国、日本和美国CDMA频段使用最优化的一个低噪声放大器一下变频器。低噪声放大器具有CDMA必需的增益系数和非常低的噪声系数以及卓越的IP3截点,并用一个外部电阻控制偏置。它适合全世界的蜂窝和DMA/AMPS移动电话和无线数字传输的应用。 主要技术特点如下: ·工作频率为832~894 MHz; ·单电源(2.8 V)工作; ·增益/IP3/电流可调; ·变频增益为25.0 dB; ·输入第三截点为-5.5 dBm; ·电源电流为20 mA; ·噪声系数为l.9 dB; ·外部元件少。

 

TQ5135的应用电路 TQ5135应用电路的元器件

 

觉得这篇文章有帮助吗?