TQ5122 TDMA/AMPS 894~869 MHz接收器

📅 发布时间:2013-09-29 06:00 👁️ 浏览:0 🏷️ 标签: 5122 TDMA AMPS 894

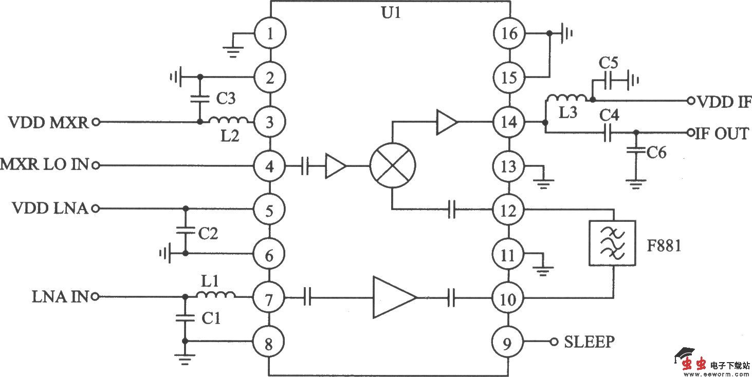
TQ5122是3 V RF接收器芯片,是专门为蜂窝频段TDMA应用而设计的。RF特性符合IS-136 TDMA和AMPS标准产品设计的要求。它适合IS-136 TDMA蜂窝移动电话和数字TDMA/AMPS移动电话的应用。 主要技术特点如下: ·工作频率为869~894 MHz; ·单电源(2.8 V)工作; ·最大直流电源电流为l5 mA;睡眠模式电流为l00 μA; ·有低功耗和睡眠模式; ·增益为l8.5 dB; ·噪声系数为2.7 dB; ·输入第三截点为-8.5 dBm; ·最大功耗为500 mW。

 

TQ5122的应用电路 TQ5122应用电路的元器件

 

觉得这篇文章有帮助吗?