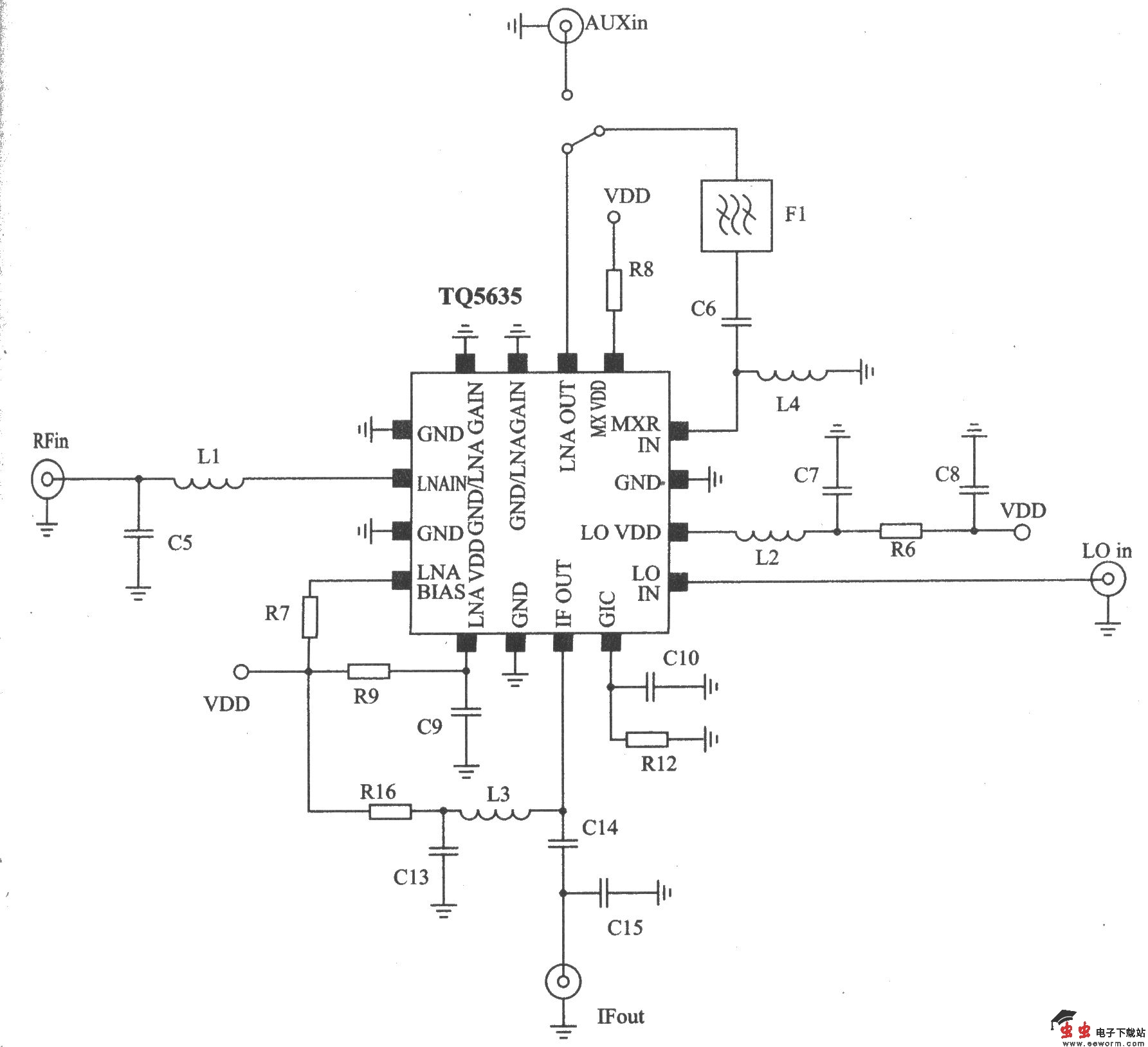
TQ5635是一款适应韩国CDMA PCS频段应用的低噪声放大器(LNA)-下变频器。其卓越的性能加上小型的封装适合PCS频段CDMA移动电话、无线数据传输应用。 主要技术特点如下: ·RF频率为1855 MHz; ·LNA有高增益模式,能提供l5 dB增益; ·变频增益为24.5 dB; ·具有非常低的噪声系数(2.3 dB)和良好的输入IP3(-4.75 dBm)特性; ·外部电阻控制LNA偏置,使得LNA的电流IDD能够调节; ·使用外部LO调谐电感,IF的范围为85~200 MHz; ·单电源(3.0 V)工作,工作电流为23.4 Ma; ·外部元器件少。
TQ5635应用于CDMA KPCS的典型测试电路 TQ5635测试电路的元器件
