TQ5622 TDMA/PCS l990~1930 MHz接收器

📅 发布时间:2013-09-29 05:30 👁️ 浏览:0 🏷️ 标签: 5622 1930 TDMA l990

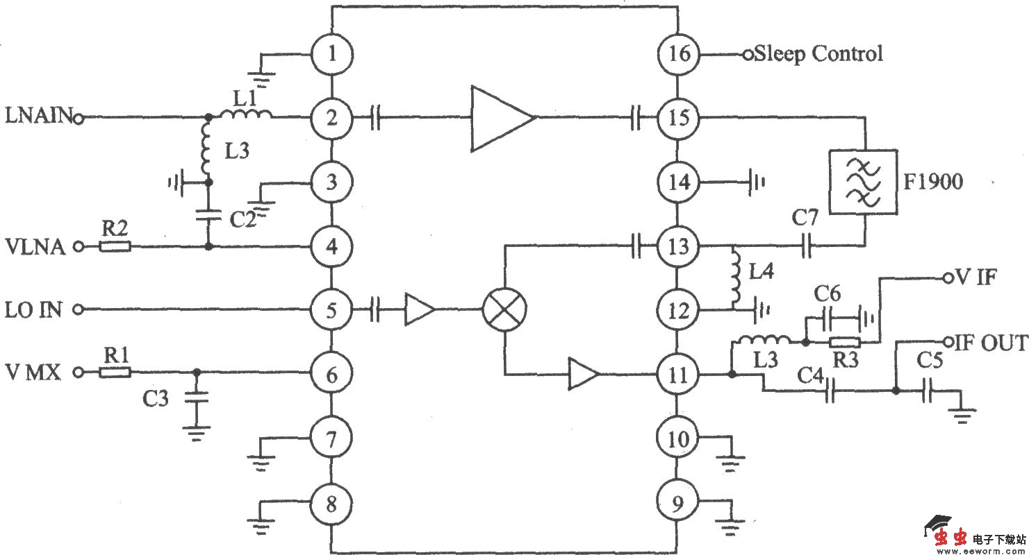
TQ5622是3 V RF接收器芯片,是专门为PCS频段TDMA移动电话应用而设计的,性能满足IS-136 TDMA标准,适应PCS频段TDMA移动电话应用。 主要技术特点如下: ·工作频率为1930~1990 MHz; ·低噪声放大器(LNA)输出和滤波器输入内部匹配,使得设计简单,使用外部元件少; ·增益为l7.5 dB; ·噪声系数为2.8 dB; ·输入第3截点为-9 dBm; ·单电源(2.8 V)工作; ·直流电源电流为l2.0 mA,睡眠模式电流为l00μA; ·功率消耗为500 mW。

 

TQ5622应用电路 TQ5622应用电路元器件

 

觉得这篇文章有帮助吗?