MC3374/D FM/FSK 75 MHz低功耗接收器

📅 发布时间:2013-09-29 04:35 👁️ 浏览:0 🏷️ 标签: 3374 FSK MHz MC

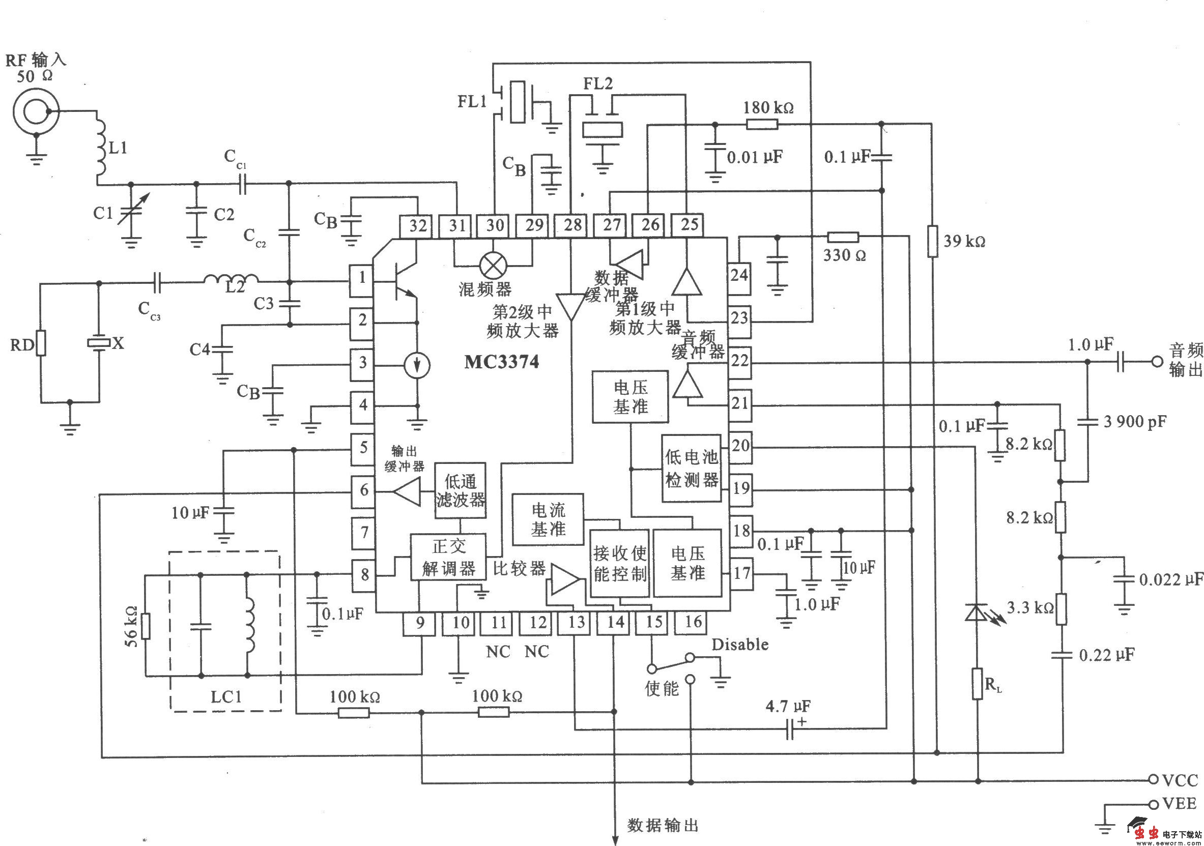
MC3374/D是窄带音频和数据低功耗接收器。芯片中的2个缓冲放大器允许音频和数据 同时接收。MC3374/D在电池电压等于1.1 V时仍能工作。 主要技术特点如下: ·输入带宽为75 MHz; ·FM/FSK解调方式; ·FSK数据接收速率达1.2 Kb/s; ·灵敏度为75 MHz(12 dB信噪失真比); ·工作电压为l.1~3.0 V; ·功率消耗为l.5~5.0 mW; ·使能控制接收/待机操作; ·含有低电压检测、自偏置音频缓冲器、数据缓冲器和FSK数据修正比较器等电路。

 

MC3374/D的应用电路

觉得这篇文章有帮助吗?