RX3408 FM/FSK 500~20 MHz接收器

📅 发布时间:2013-09-29 03:55 👁️ 浏览:0 🏷️ 标签: 3408 500 FSK MHz

RX3408是UHF锁相环(PLL)与中频调频(FM)接收组合的低功率接收器芯片。RX3408的接收部分适合作为一个正交FM解调器和无线调频双变换的第二中频下变频器.RX3408的内部PLL用外部的VC0组合时,可以作为本振发生器,用于移动通信等家庭无线电接收机(FRs)中。RX3408的PLL部分还包含18位可编程输入频率分频器、基准振荡器输出缓冲器和通过串行编程的待机使能控制器。 主要技术特点如下: ·片内有音频滤波器和静噪/降音电路; ·输入频率:PLL为20~500 MHz,IF为10~50 MHz; ·FM/FSK解调方式; ·数据传输速率为2.4 Kb/s; ·灵敏度:PLL为-l5 dBm,IF为-90 dBm; ·第二中频为455 kHZ; ·音频输出为l80 mV/ms; ·工作电压为2.7~3.3 V; ·电流消耗:静噪关闭为4.0 mA,静噪导通为5.4 mA。

 

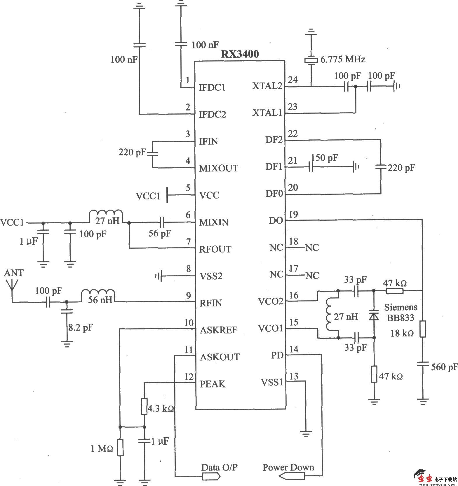
RX3400典型应用电路(工作在434 MHz )

觉得这篇文章有帮助吗?