STA001 1492~1452 MHz数字卫星无线电接收器

📅 发布时间:2013-09-29 03:30 👁️ 浏览:0 🏷️ 标签: 1492 1452 STA 001

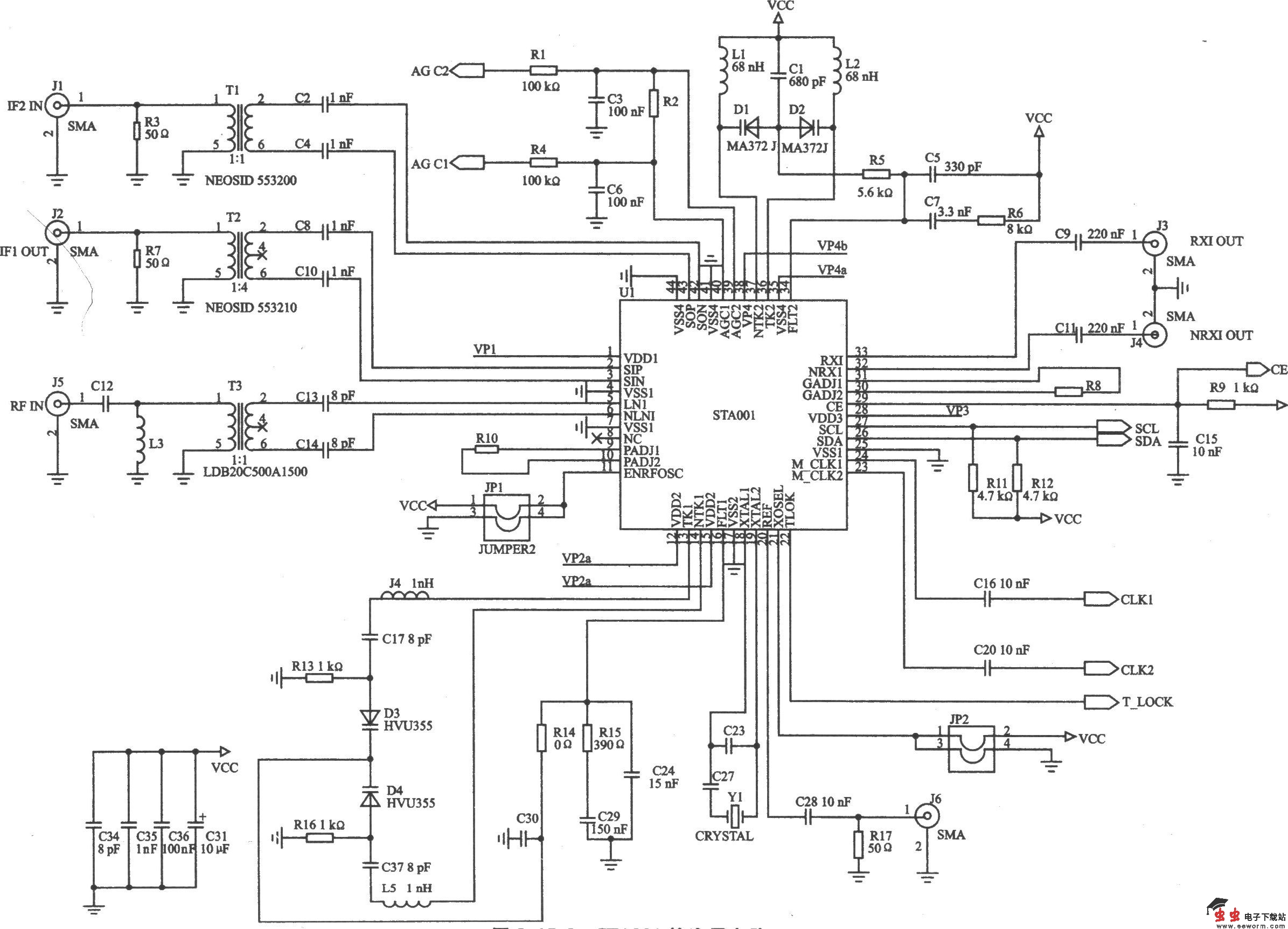
STA001由ST Microelectronics公司运用高速双极性技术HSB2(High Speed Bipolar Technology)设计制造,用于数字卫星无线电接收器。 主要技术特点如下: ·完整的RF VC0、IF VC0和合成器; ·超外差式接收,中频输出; ·高输入截点(IIP3=-41dBm),低混频噪声(NF=9 dB); ·RF增益最大为33 dB,中频VGA增益最大为86 dB,可调节; ·I2C总线兼容的可编程接口; ·电源电压为2.7~3.3 V; ·最大工作电流为61 mA,待机电流为l00 μA; ·低成本外部元件。

 

STA001的应用电路

觉得这篇文章有帮助吗?