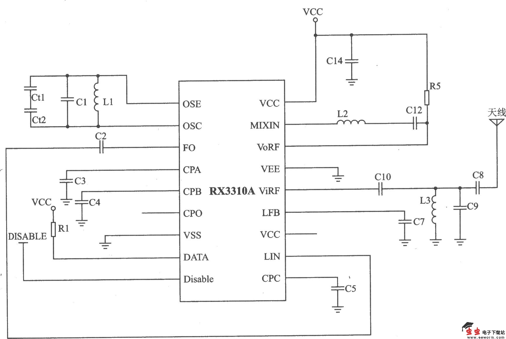
RX3310A ASK 450~250 MHz接收器

📅 发布时间:2013-09-29 03:20 👁️ 浏览:1 🏷️ 标签: 3310A 3310 250 ASK

RX3310A是一款单片ASK接收器芯片,适合高稳定、小尺寸、低功耗、低成本的短距离无线控制和数据传输应用。 主要技术特点如下: ·工作频率为250~450 MHz; ·ASK解调方式; ·数据传输速率为20 Kb/s; ·接收灵敏度为-l06 dBm; ·电源电压为2~6 V; ·运行模式电流消耗为2.6 mA,待机模式电流消耗为25μA。

 

RX3310A应用电路 RX3310A应用电路元器件参数

 

觉得这篇文章有帮助吗?