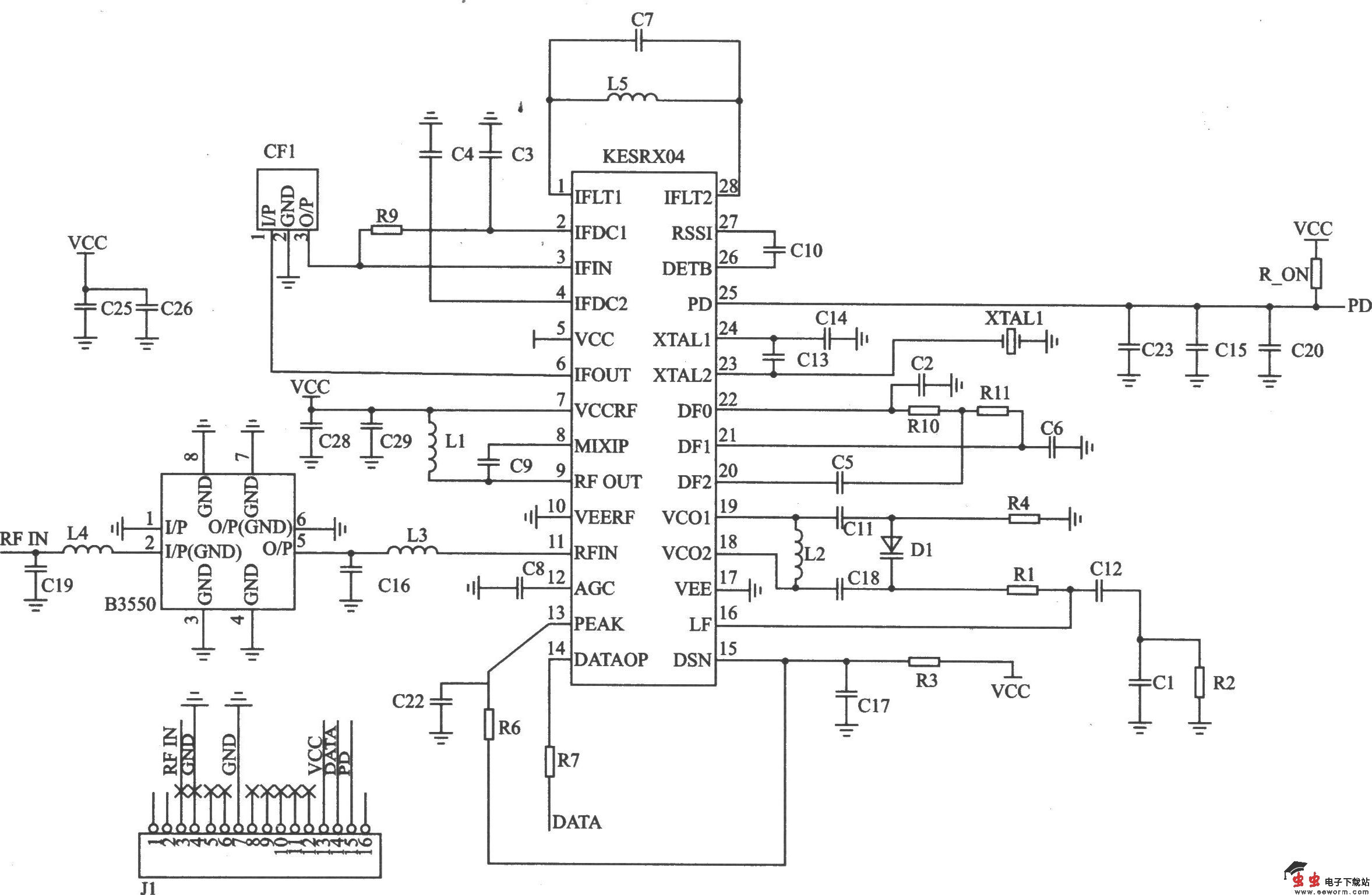
KESRX04是一款单片ASK接收器芯片,与KESRX01相比,它具有低的电源电压,片内带干扰抑制(抗干扰检波器)和2级低功耗控制等功能。KESTX04适用于有高干扰信号、接收困难的地区,如在各种低功率无线电遥控装置、RF识别前端和本地的寻呼系统等中应用。 主要技术特点如下: ·工作频率为260~470 MHZ; ·中频频率为0.2~15.0 MH; ·灵敏度:数据传输速率为l Kb/s时,433.92 MHz为1.5μV/ms;数据传输速率20 Kb/s时,470 MHz为8.0μV/ms; ·数据输出逻辑高电平最小为0.7 VCC,数据输出逻辑低电平最大为0.3 VCC; ·允许干扰信号比有用信号高出l4 dB; ·最大工作电源为7 V; ·电源电流:接收模式为4.5 mA,低功耗模式l为500 μA,低功耗模式0为50μA; ·符合全世界范围的频率辐射要求。
KESRX04的10.7 MHz中频接收电路 KESRX04的10.7 MHz中频接收电路元器件参数
