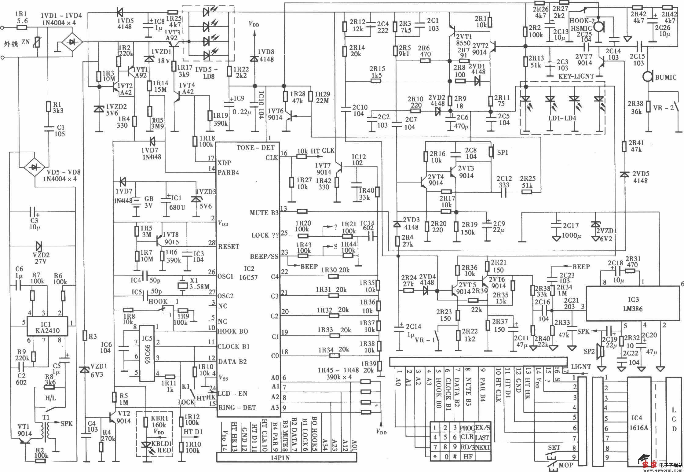
中天信HA738(19B)P/TSGFM(LCD)型电脑计费电话机电路

📅 发布时间:2013-09-29 00:20 👁️ 浏览:0 🏷️ 标签: TSGFM 738 19B LCD

中天信HA738(19B)P/TSGFM(LCD)型电脑计费电话机电路

觉得这篇文章有帮助吗?