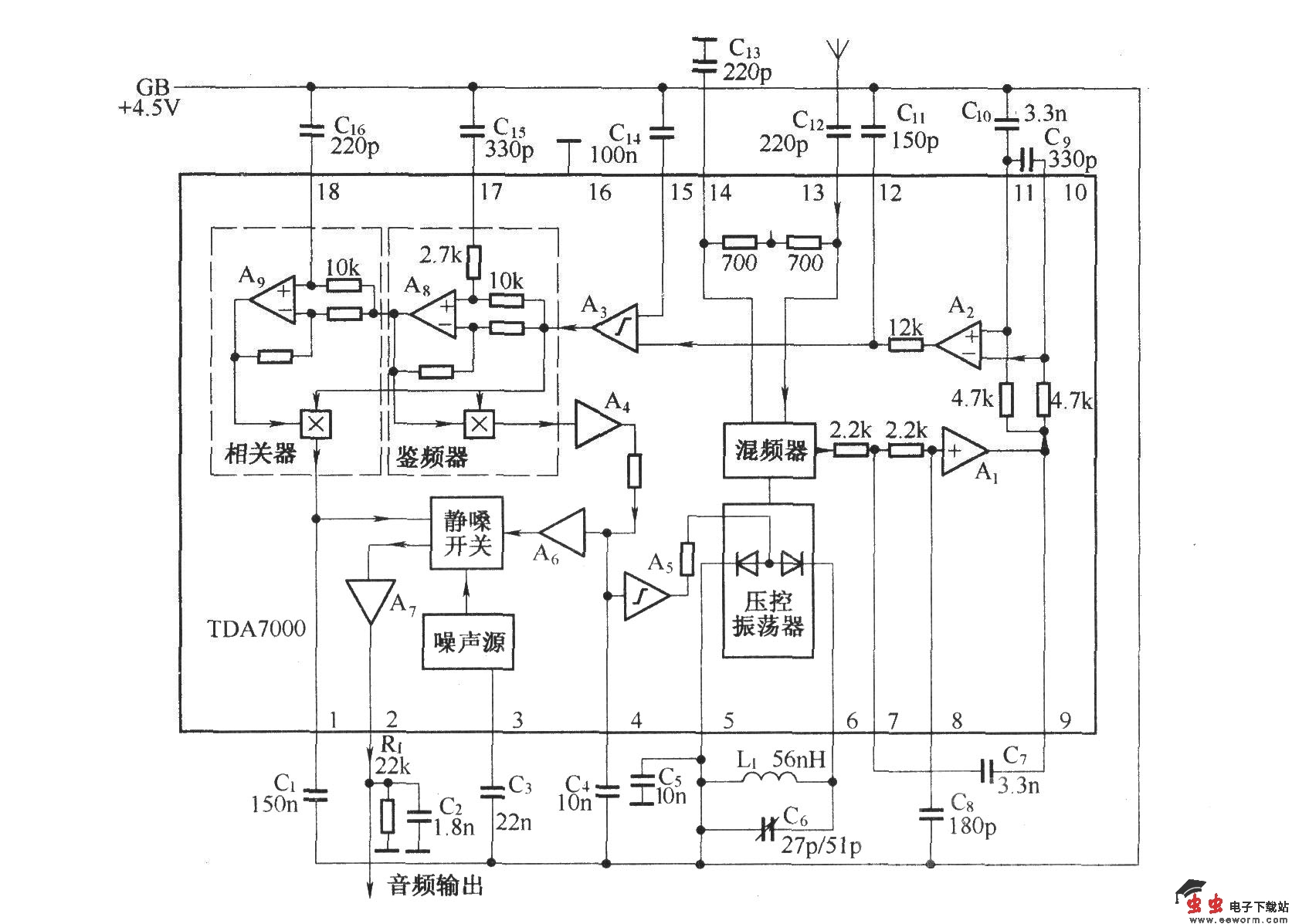
TDA7000的内电路及其组成的基本接收电路

📅 发布时间:2013-09-28 05:55 👁️ 浏览:0 🏷️ 标签: 7000 TDA 电路 接收电路

TDA7000系列集成电路包括TDA7000,TDA7010,TDA7021三个品种,是飞利浦公司推出的单片调频接收集成电路.该电路因集成度高,使用电压低,不需双连可变电容和外接中频变压器而得到广泛应用.

觉得这篇文章有帮助吗?