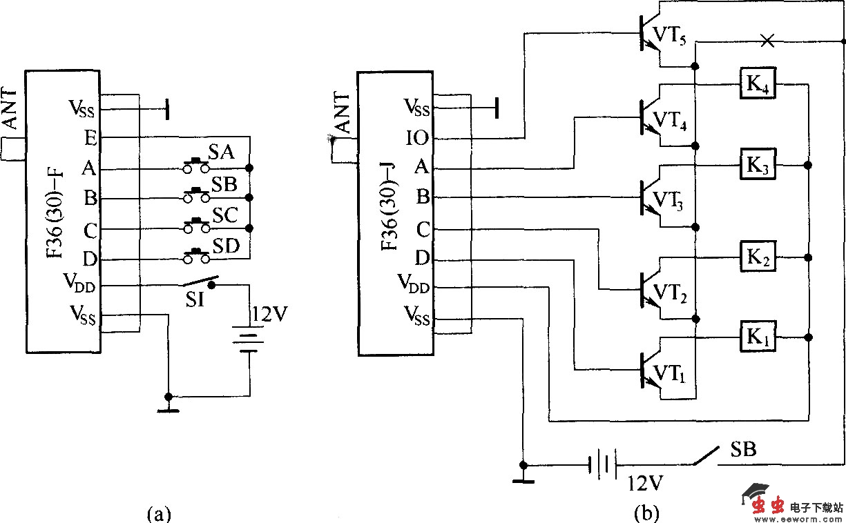
F36-F/J构成的基本无线电收发电路

📅 发布时间:2013-09-27 10:00 👁️ 浏览:3 🏷️ 标签: 36 无线电收发 电路

F36-F/J是一对数字编码无线电调频收发组件,由于采用的载频频率为36MHz而得名.F36-F/J组件内采用的数字编/译码电路为PT2262/PT2272.

F36-F/J构成的基本无线电收发电路如图所示

F36-F/J构成的基本无线电收发电路

觉得这篇文章有帮助吗?