用二次译码电路组成的十六路控制电路

📅 发布时间:2013-09-27 07:30 👁️ 浏览:1 🏷️ 标签: 译码电路 控制电路

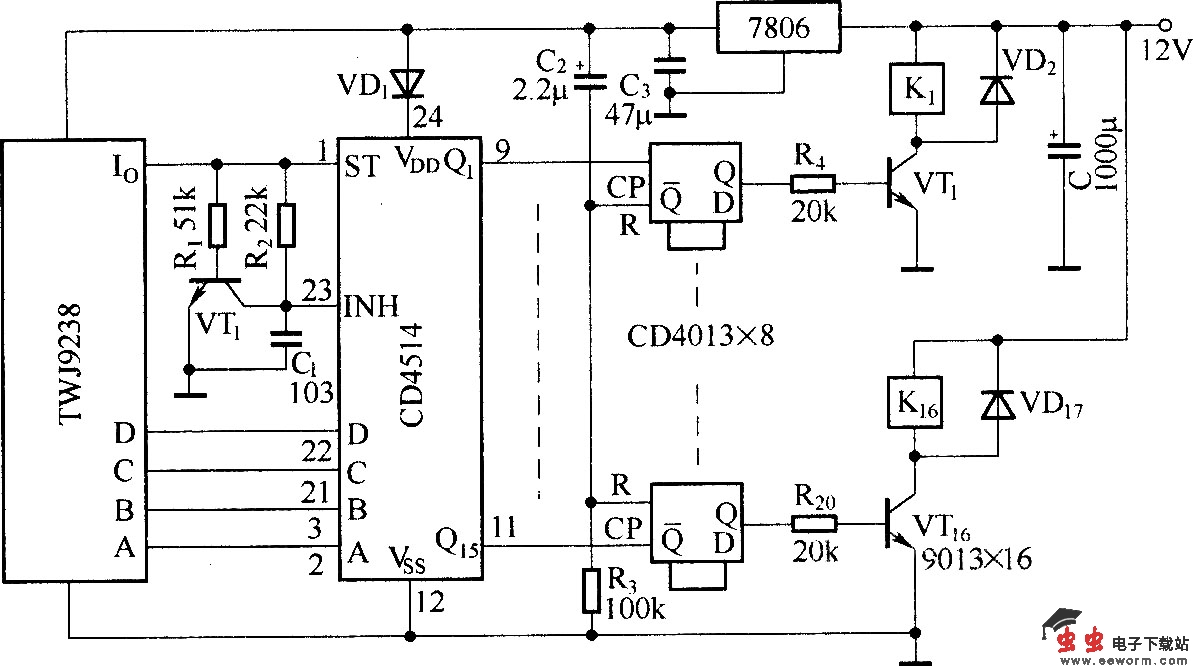
用二次译码电路组成的十六路控制电路

通过二次译码电路CD4514组成的十六路输出控制电路,在CD4514的十六个译码输出端各连接一个由双D触发器CD4013组成的双稳态电路,每一双稳态电路的Q输出端通过一个晶体管驱动器接一个直流继电器。

觉得这篇文章有帮助吗?