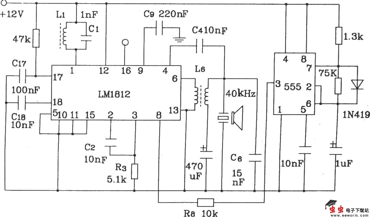
LMl812构成0~6m测距电路

📅 发布时间:2013-09-26 21:05 👁️ 浏览:1 🏷️ 标签: LMl 812 测距电路

LMl812构成0~6m测距电路 

LMl812构成0~6m测距电路 LMl812构成0~6m测距电路它的发送/接收由同一个超声波换能器担任,其工作频率为40kHz。

觉得这篇文章有帮助吗?