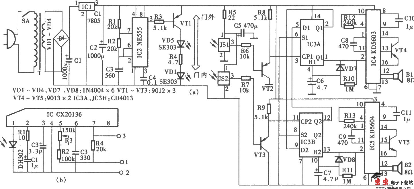
采用CX20106的红外线控制电子礼仪语音器电路

📅 发布时间:2013-09-26 17:10 👁️ 浏览:1 🏷️ 标签: 20106 CX 红外线 控制

采用CX20106的红外线控制电子礼仪语音器电路

采用CX20106的红外线控制电子礼仪语音器电路

(a)电路原理图;(b)JSl和JS2实际电路中CX20106的连接图

觉得这篇文章有帮助吗?