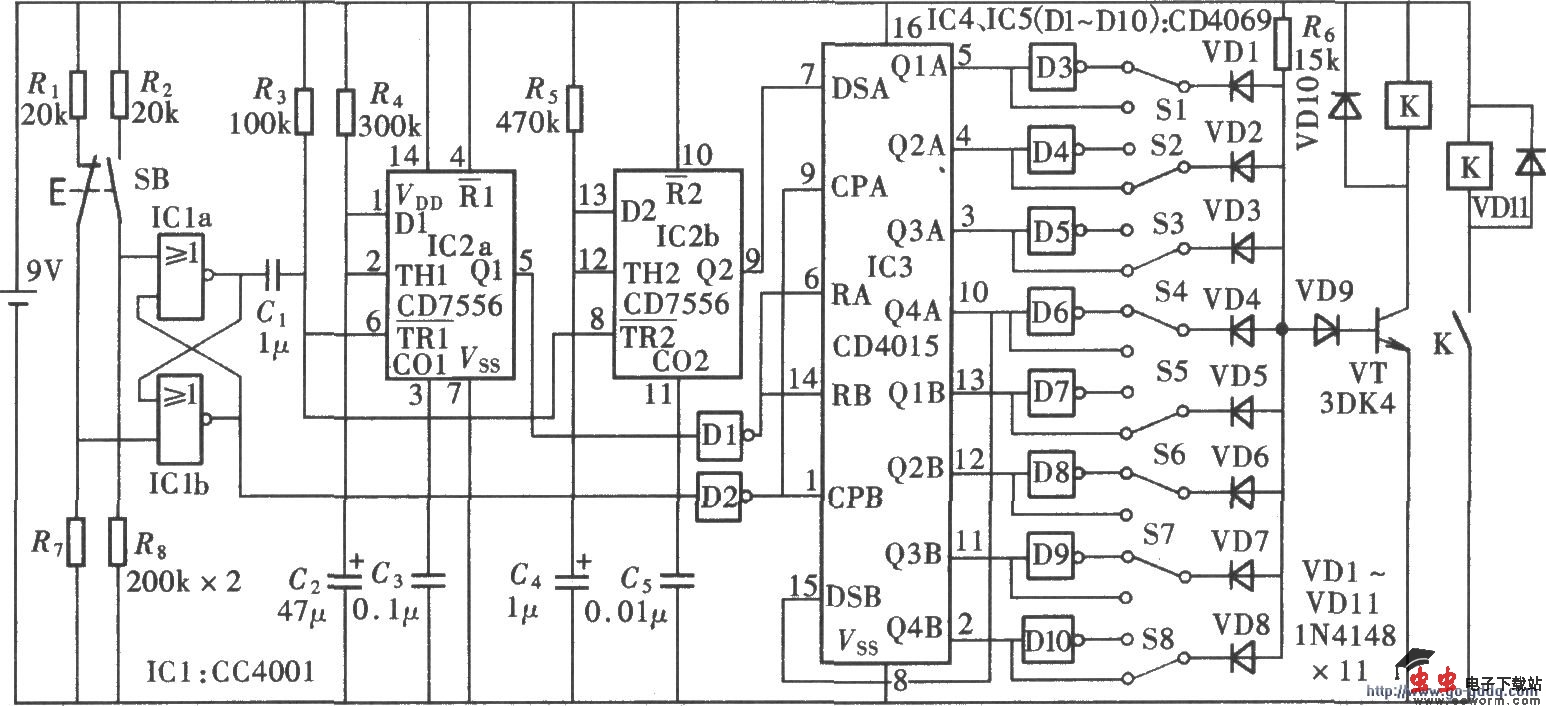
用CD7556构成的只用一个按键的密码锁电路

📅 发布时间:2013-09-25 10:35 👁️ 浏览:0 🏷️ 标签: 7556 CD 按键 密码锁

只用一个按键的密码锁(CD7556)

如图所示的密码锁只用一个操作按键,设定的密码位数为八位。它除了具有限时开锁功能外,还可随时修改密码,具有很强的保密功能,电路组成如图所示,由密码输入电路、密码形成与输出电路、限时电路以及开锁电路等组成。

觉得这篇文章有帮助吗?