由CD4027组成的九位按键密码锁电路

📅 发布时间:2013-09-25 10:10 👁️ 浏览:0 🏷️ 标签: 4027 CD 按键 密码锁

由CD4027组成的九位按键密码锁电路

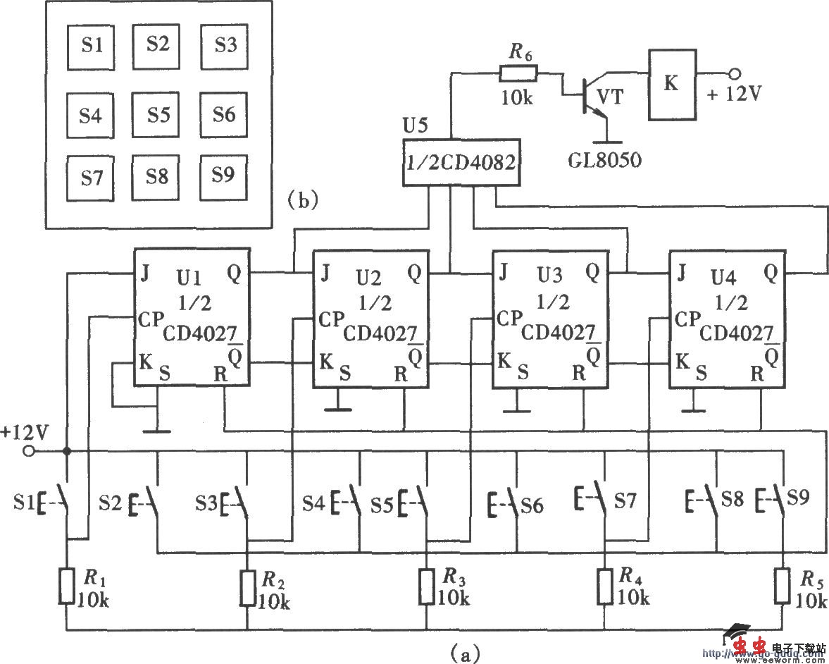
如图所示的九位按键密码锁共有9个按键,但只有4个有效按键,其余5个按键均为伪键。当按下伪键后,电路复位,此前所按有效键的输入全部失效。电路组成如图所示。电路由两只双JK触发器CD4027和一只双四输入端与门CD4082组成。两只JK触发器中的四个触发器并联组合,它们各自的CP端均连接一个有效按键,只有顺序按下四个有效按键,才能使与门输出高电平将锁打开。如果中途按动了伪键,电路将自动复位。

觉得这篇文章有帮助吗?