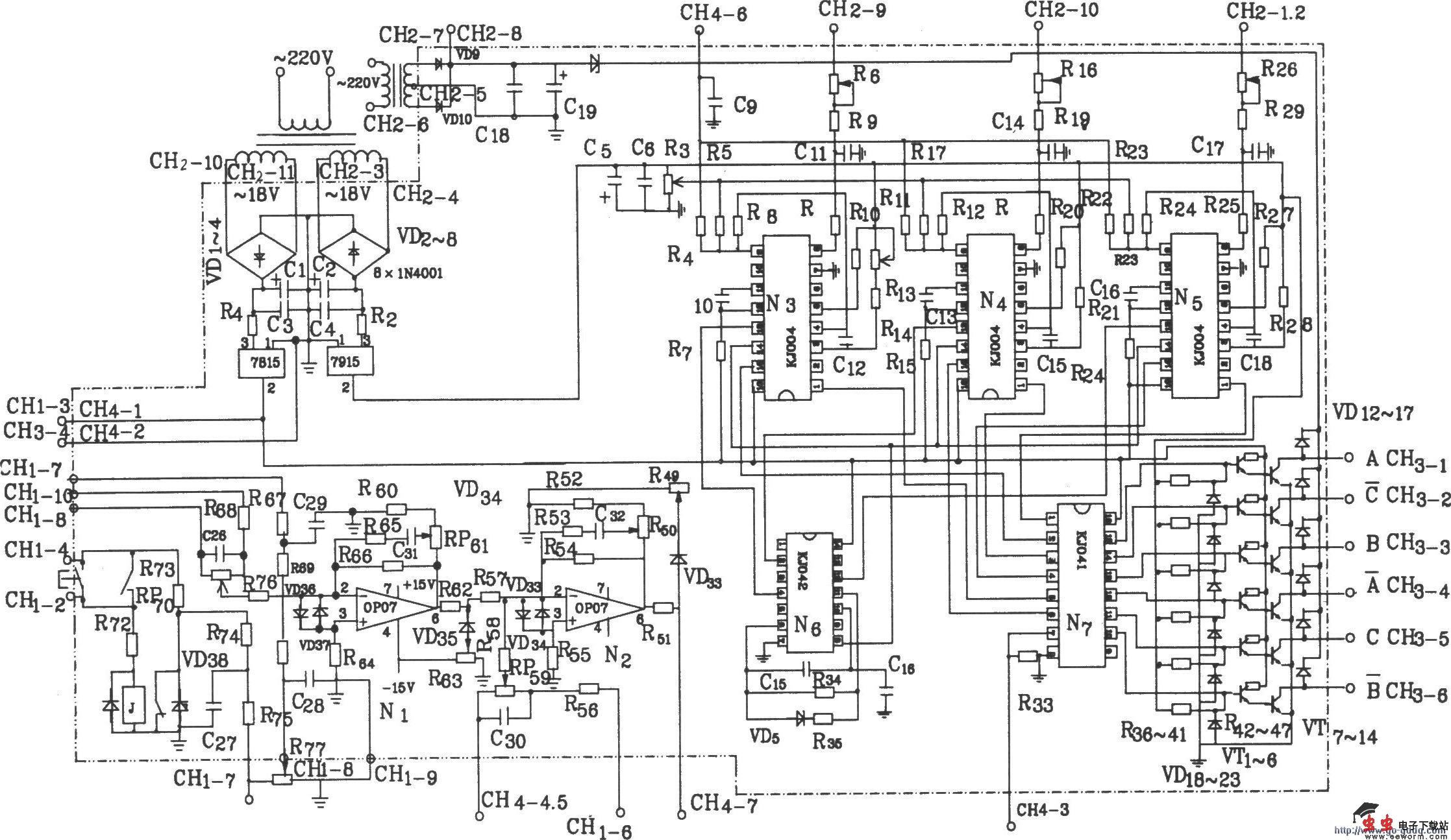
触发控制板KJZ6-4电原理图

📅 发布时间:2013-09-25 09:30 👁️ 浏览:0 🏷️ 标签: KJZ 触发控制板 原理图

KJZ6-4控制板普遍适用在电力控制系统中。它由稳压电源、移相触发和Pl调节器三部分组成。PI调节器的输出可作为可控硅触发部分的移相电压。将控制电压幅度转换为相应导通角功率足够大的触发脉冲驱动功率可控硅器件。 电参数: 交流同步电压:三相30V±5V(有效值)。 同步工作电流:2~3mA(有效值)。 同步接法:380V/30V,△/Y。 触发脉冲形式:脉冲调制式的双脉冲。 脉冲列频率:5~10kHz。 输出级允许负载电流(吸收):≤3A。 脉冲前沿≤l&mICro;s。 电源电压±(15V±5V)%。 允许使用环境温度:0~ 70℃。

图中CH2~9、CH2~10分别为A相、B相、C相同步输入,CH4~6为移相输入。CH4~7为调节输出端,CH4~4为调节输出地。CH1~10和CH1~8分别为电压反馈输入端和地。CH1~7为给定电压。CH4~3为控制端。

KJZ6-4板控制端用法

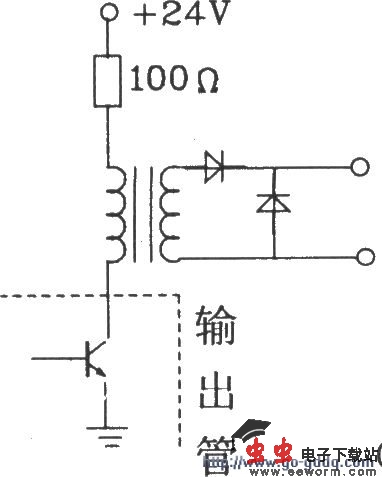
脉冲变压器接法

各点波

觉得这篇文章有帮助吗?