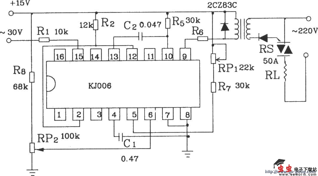
可控硅移相触发器KJ006外电路接线图

📅 发布时间:2013-09-25 09:25 👁️ 浏览:0 🏷️ 标签: 006 KJ 可控硅 移相触发器


各点波形图


扩展电流时如果采用交流供电,3DK4集电极接18Ω电阻到可控硅控制极;直流供电时3DK4集电极接脉冲变压器。
用直流供电时KJ006的电路如下图所示:


KJ006直流供电时的接线图
直流供电的扩展电流电路如图所示:



输出电流扩展时的接线图

觉得这篇文章有帮助吗?