
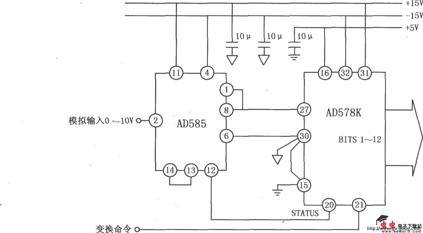
如图所示为AD585应用于A/D变换系统的电路。AD585具有快速的采样时间,因此可以将其用于多通道数据采集系统中,完成高频信号和高通过率的高速A/D变换。AD585完成信号的采样保持工作,AD578K完成信号的模数转换任务。0~10V模拟信号由AD585的2脚输入,采样保持后由8脚输出到AD578K的27脚,经过AD578K将模拟信号转换为12bit数字信号输出。采样保持状态由AD578K的STATUS端(20脚)输出控制信号到AD585的HOLD端(12脚)完成。当HOLD=0时,电路处于采样状态;当HOLD=1时,电路处于保持状态。信号的通过率为117.6kHz,最大信号输入频率为58.8kHz。