用运放构成的数模转换器

📅 发布时间:2013-09-25 08:10 👁️ 浏览:2 🏷️ 标签: 运放 数模转换器

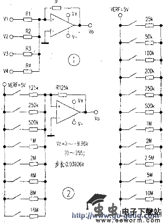
 集成电路数模转换器都是二进制输入的,而用运放构成的数模转换器则不受数制和位数的限制。它运用了运放的反相加法器原理,如图1所示。
  当运放的增益足够高时,其反相输入端为虚地,其输出电压v0由下式决定:
  当VI=V2=V3=V4=V时。如果令Rl=,则Vo=-V(1+2+4+8),构成的是二进制数模转换器。当然,电阻个数还可增加,以构成更多位的转换器。
  如增加电阻:
  (10+20+40+80)],便可构成两位十进制BCD码数模转换器。其实,用电阻并联的方法分析,也可得出上述结论。
  依据上述原理构成的数模转换器的具体电路如图2、图3所示。考虑到运放输出电压范围的限制,在保持上述比例关系不变的前提下,对电阻取值进行了适当处理,其中反馈电阻R的取值可以变化,因为它并不影响转换中相互比例关系,而只影响输出电压的大小。

  图中的运放必须采用CMOS型,因CMOS型的输入是高阻,使得选用较宽范围的电阻值和低至几μA的偏置电流,对转换精度几乎没有影响。运放的失调电压一般在2mV内即可,它仅对低电压稍有影响,电压高时就忽略不计了。如要求较高,可使用带调零端的运放。
  电阻必须用金属膜电阻,其选用原则是阻值越小的电阻,其精确度要求越高。如大至16MΩ申阳即停有±5%的误差,也仅使最低电压0.039V变为0.037V或0.041V,对满度电压9.96V的误差仅为0.02%,而125kΩ电阻即使只有1%误差,也将使满度电压的误差达O.5%,因此应尽量减少小阻值电阻的误差。
  由于输出电压与基准电压极性相反。可以增加一级运放,将负电压转为正电压。还可通过R反的调整使电压大小发生变化,以适应各种场合的需要。
  上述数模转换器的输入接口,若采用图示拨码开关,因其导通电阻极小,当然毫无问题。若采用CMOS电路驱动,则应考虑导通电阻的影响。
  笔者实测,74HC系列电路高电平输出电阻约50Ω,低电平灌人电阻约40Ω,而CD系列电路的上述电阻均高达200Ω~500Ω。若以5V电源作基准电源,并以74HC系列电路驱动转换器,其导通电阻导致的误差不超过0.04%。

  一般可以忽略。同时,还可将5V电源_丁十为5.002V加以补偿。要求较高者也可将125kΩ减为124.95kΩ)、250kΩ减为249.95kΩ等。低电平时电阻两端电压均为0,根本不用考虑。CD系列电路导通电阻太大,建议不采用。
  选配电阻时,可在输出端接上数字万用表监测电压。如16MΩ电阻应输出30mV,8MΩ电阻应输出78mV……250Ω)电阻应输出2.5V,125kΩ电阻应输出5V。这样便可将电阻校准。

觉得这篇文章有帮助吗?