数/模转换器是把数字信号转换成模拟电压,其精度非常重要。目前市场上仅有几款18位数/模转换器,但均为音频专用芯片,不适合开发仪器仪表,且价格昂贵。笔者采用普通的16位和12位数/模转换器AD569与ADCl210设计了一款高分辨率的数/模转换器。
将AD569输出作为主通道,ADCl210输出作为辅助通道,两者通过比例电阻和运算放大器进行求和,滤波后输出电压的分辨率可达10μV,相当于20位的D/A转换器,且满度输出达到10V,非常适合仪器仪表的设计需要。
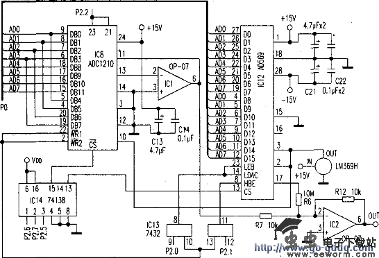
附图中LM369是带温度补偿功能的高性能基准器件,提供10V基准电压。AD569输出作为主通道转换的电压与作为辅助通道的ADCl210输出电压在IC2的输入端叠加,叠加比例为1000:1。因为AD569是16位的D/A,其分辨率为10/(2(16次方)-1)=O.15mV,而12位ADCl210的分辨率为:10/(2(12次方)-1)=2.4mV。电路中理论上用ADCl210的转换电压2A/1000=O.0024mV去补偿ADS69的0.15mY的最小分辨率。由此可知,理论上完全可以实现0.01mV的最小分辨率的设计指标。
ADCl210与80C51的P0口28位数据总线相连,即DBO~DB7与DB8~D15复用89C51的数据总线DO~D7,显然,16位输入数据输入寄存器后,再选通16位DAC寄存器,将输入数据送至16位D/A转换器进行数模转换。
实践表明,AD569使用±15V电源,引入的电源噪声将严重影响输出电压的稳定度,因此,建议在这两组电源与地之间分别并人一个4.7μF的钽电容来解决这个问题。本电路设计的关键部分之一是比例电阻的选择,设计中采用的比例系数确定为1000:l,因此选择了两只RX73精密线绕电阻10MΩ和10kΩ,要求该两只电阻必须是同一种工艺,并采用同一根材料一次绕制成功,这样可减小由于电阻性能变化对比例系数的影响。其次。运放选择了OP-07,它的参数对输出的影响均可忽略不计。
由于AD569与ADCl210是组合输出,其中ADCl210补偿范围在0.1mV~0.01mV之间,需要ADCl210可进行正负两个方向的补偿,因此,设计中将ADCl210转换中值点即2048个数位处设置为零位。由于此时ADCl210的输出接近5V,比例调节后也为5mV,为了使合成后的输出电压对应零位,要求AD569输出5mV的电压且与ADCl210的输出反相,从而抵消ADCl210零点设置的电压输出。但实际中,不可能完全将零位电压补偿为零,因此必须设置外部调零电路。
D/A转换程序由C语言编写,主要包括:主程序、AD569与ADCl210初始化程序、键盘设置和显示程序、D/A转换调整子程序,这里不做详述。

提高D/A转换器线性指标与分辨率的方法
觉得这篇文章有帮助吗?