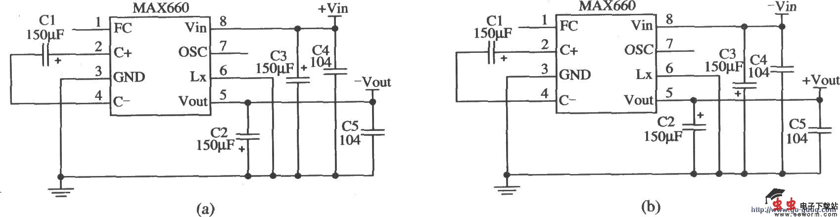
X660构成输入与输出电压反转电路如图所示。输入电压为l.5~5.5 V,电压反转后可输出-l.5~-5.5 V电压。在负载电流增加时,输出电压会有所跌落。如负载电流为l00 mA,输人电压为5 V时,输出电压约为-4.35 V。输出电压的波纹与负载电流的大小、振荡频率、C2的容量及ESR有关。当振荡频率为10 kHz,C2取150μF,ESR为0.2 Ω时,其波纹电压约为90 mV(100 mA电流);若C2采用390μF时,其波纹电压可降到 45 mV。 (a)正输入负输出;(b)负输入正输出。

MAX660构成的输入与输出极性反转电路
觉得这篇文章有帮助吗?