许多电路需要控制年月日时分秒的时钟电路,市面上也比较常见。至于日历电路,市场上虽有万年历,却没有控制功能,最遗憾的是几乎都采用扫描显示,其数据信号不能利用。因此,自制一个日历电路就很有必要。笔者制作了一个可以控制年月日时分的万年历,其核心电路就是由日历电路拓展而成的。
现将日历电路简介如下:
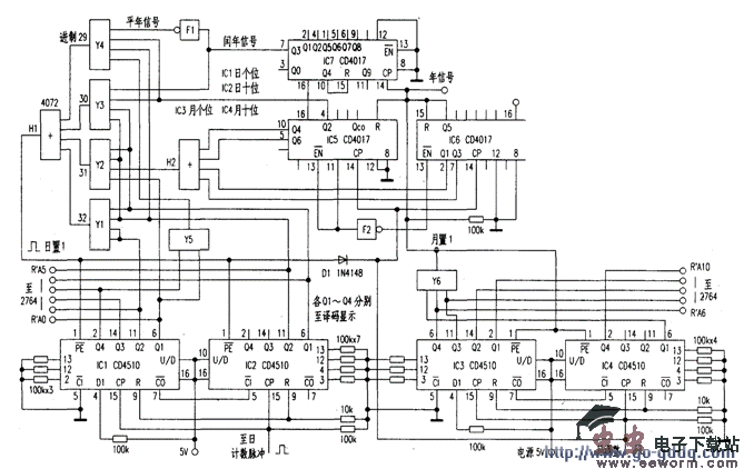
日历电路的核心是解决一个计数多种进制的问题,就公历而言,就是按日历规律日计数,月大时的31日、月小时的30日、平年二月的28日、闰年二月的29日等之后,就需进位。到12月31日后,日和月的计数器就置1。三个平年之后就是闰年,周而复始。综上所述,也就是要分别解决一个由32、31、30、29、13和5的进制计数的协调与统一问题,附图的电路就是按这个规律设计的。
图中1C1、IC2组成日计数电路,IC3、IC4组成月计数电路。IC5、IC6组成13进制计数分配器,与或门H2产生月小的四、六、九、十一月的信号。IC7的Q3产生每四年一闰年信号,非门F1产生平年信号。与门Y6产生月置l信号(即年信号)。日计数器ICl的BCD码输出端。Q2与IC2的Q1、Q2经与门Yl组成32进制,产生月大的(1、3、5、7、8、lO、12131日之后的置l脉冲;ICl的Ql与IC2的Ql、Q2及或门H2组成31进制,产生月小的(4、6、9、11)30日之后的置1脉冲:
IC2的Q1、Q2与IC5的Q2(输出2月信号)及IC7的Q3(闰年信号)经与门Y3组成30进制,产生闰年二月29日之后的置l脉冲:与门Y5经ICl的Q1、04产生9信号,再与IC5的Q2及非门F1经与门Y4组成29进制,产生平年的二月28日之后的置1脉冲。
由于进位制较小的具有优先权,又有月计数分配器控制,因此Y1一Y4四个与门每月的输出脉冲是唯一的。与门Yl~Y4形成的进位计数脉冲经或门H1将由ICl、IC2组成的目计数器置成l(即每月1日),同时经D1后分别输送至由IC3、IC4组成的月计数器的脉冲输入端⑩脚和由IC5、IC6组成的十二进制计数分配器的脉冲输入端口(14)脚,使两个月计数器分别计数,计满12月以后,又分别置1,这时就是每年的1月1日。月置l的脉冲信号,也可以引出,把它作为年信号,送至年计数单元。
当日计数器的脉冲输入端有源源不断的日脉冲信号时,整个计数器将按日历规律计数。其日置1和月置1的逻辑表达式为:
H1=Q21Q22Q12+QllQ22Q12(Q16+Q36+Q45+Q65)+Q12Q22Q25Q37+Q11Q41Q22Q25Q37 Y6=Q13Q23Q14(Q后第二位脚码为集成块IC的编号)。
使用时,首先应确定当年是平年或者是闰年,若是闰年,就应在置0后使日历快速运行3年,方法是将秒脉冲(或频率更高的信号)切换至日计数脉冲的输入端,待计数到当日的月日时,才切换回日计数脉冲。若是平年,那就要看是闰年过后的第几年,若是2年,就要让它快速计数2年,以此类推,这样,平年就显示28天,闰年就显示29天。月大月小均按日历规律显示。
有了这个日历电路,可以组成年计数,还可将它各位的.BCD码方便输出,或去驱动显示,或输至存储器地址端,甚至可以由存储器写入公元历后,得到相应的农历电路。再去控制长达几十年的年月日时间。

日历表电路原理分析
觉得这篇文章有帮助吗?