单片机数字时钟电路及程序设计

📅 发布时间:2013-09-25 02:30 👁️ 浏览:1 🏷️ 标签: 单片机 数字时钟 电路 程序设计

单片机数字时钟电路及程序设计
1.单片机时钟设计目标
(1. 开机时,显示12:00:00的时间开始计时;
(2. P0.0/AD0控制“秒”的调整,每按一次加1秒;
(3. P0.1/AD1控制“分”的调整,每按一次加1分;
(4. P0.2/AD2控制“时”的调整,每按一次加1个小时;
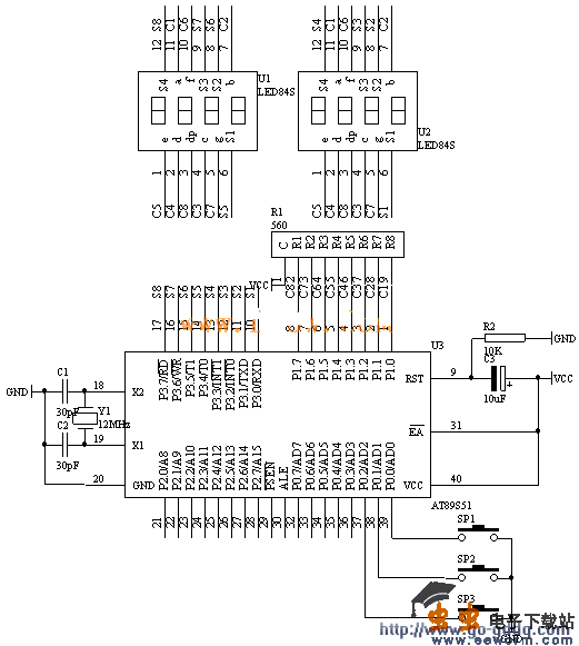
2.单片机时钟电路原理图

3.系统板上硬件连线
(1. 把“单片机系统”区域中的P1.0-P1.7端口用8芯排线连接到“动态数码显示”区域中的A-H端口上;
(2. 把“单片机系统:区域中的P3.0-P3.7端口用8芯排线连接到“动态数码显示”区域中的S1-S8端口上;
(3. 把“单片机系统”区域中的P0.0/AD0、P0.1/AD1、P0.2/AD2端口分别用导线连接到“独立式键盘”区域中的SP3、SP2、SP1端口上;
4.相关基本知识
(1. 动态数码显示的方法
(2. 独立式按键识别过程
(3. “时”,“分”,“秒”数据送出显示处理方法
5.C语言源程序
#include
unsigned char code dispcode[]={0x3f,0x06,0x5b,0x4f,
0x66,0x6d,0x7d,0x07,
0x7f,0x6f,0x77,0x7c,
0x39,0x5e,0x79,0x71,0x00};
unsigned char dispbitcode[]={0xfe,0xfd,0xfb,0xf7,
0xef,0xdf,0xbf,0x7f};
unsigned char dispbuf[8]={0,0,16,0,0,16,0,0};
unsigned char dispbitcnt;
unsigned char second;
unsigned char minite;
unsigned char hour;
unsigned int tcnt;
unsigned char mstcnt;
unsigned char i,j;
void main(void)
{
TMOD=0x02;
TH0=0x06;
TL0=0x06;
TR0=1;
ET0=1;
EA=1;
while(1)
{
if(P0_0==0)
{
for(i=5;i>0;i--)
for(j=248;j>0;j--);
if(P0_0==0)
{
second++;
if(second==60)
{
second=0;
}
dispbuf[0]=second;
dispbuf[1]=second/10;
while(P0_0==0);
}
}
if(P0_1==0)
{
for(i=5;i>0;i--)
for(j=248;j>0;j--);
if(P0_1==0)
{
minite++;
if(minite==60)
{
minite=0;
}
dispbuf[3]=minite;
dispbuf[4]=minite/10;
while(P0_1==0);
}
}
if(P0_2==0)
{
for(i=5;i>0;i--)
for(j=248;j>0;j--);
if(P0_2==0)
{
hour++;
if(hour==24)
{
hour=0;
}
dispbuf[6]=hour;
dispbuf[7]=hour/10;
while(P0_2==0);
}
}
}
}
void t0(void) interrupt 1 using 0
{
mstcnt++;
if(mstcnt==8)
{
mstcnt=0;
P1=dispcode[dispbuf[dispbitcnt]];
P3=dispbitcode[dispbitcnt];
dispbitcnt++;
if(dispbitcnt==8)
{
dispbitcnt=0;
}
}
tcnt++;
if(tcnt==4000)
{
tcnt=0;
second++;
if(second==60)
{
second=0;
minite++;
if(minite==60)
{
minite=0;
hour++;
if(hour==24)
{
hour=0;
}
}
}
dispbuf[0]=second;
dispbuf[1]=second/10;
dispbuf[3]=minite;
dispbuf[4]=minite/10;
dispbuf[6]=hour;
dispbuf[7]=hour/10;
}
}

觉得这篇文章有帮助吗?