UTC431电路图

📅 发布时间:2013-09-24 21:15 👁️ 浏览:0 🏷️ 标签: UTC 431 电路图

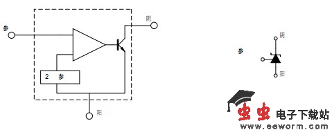
UTC431内部电路图


UTC431特点
1. 可调整输出电压至36V
2. 低动态输出阻抗,典型值为0.2Ω
3. 陷电流能力为1.0至100mA
4. 等效的全温度范围温度系数典型值为50ppm/℃
5. 全温度工作范围内有效的温度补偿
6. 低输出噪声电压
7. 快速开态响应

觉得这篇文章有帮助吗?