采用TSH5111/TSH512红外立体声耳机电路

📅 发布时间:2013-10-10 13:20 👁️ 浏览:3 🏷️ 标签: TSH 5111 512 红外

采用TSH5111/TSH512红外立体声耳机电路(一) (a)发射电路

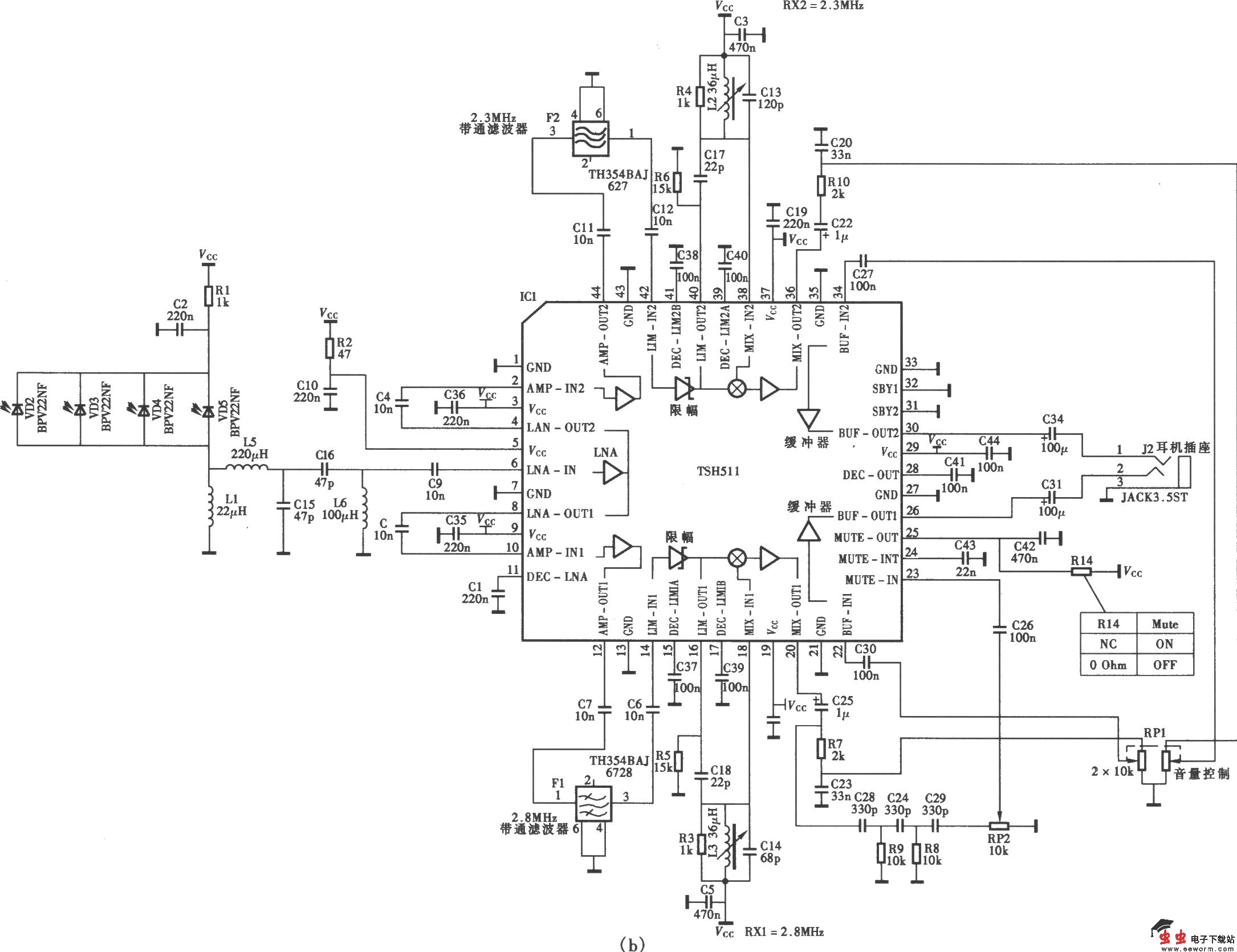
采用TSH5111/ TSH5112红外立体声耳机电路(二) (b)接收电路

觉得这篇文章有帮助吗?