使用AIRPAX67F温度开关的电烤箱控制电路

📅 发布时间:2013-10-03 07:40 👁️ 浏览:0 🏷️ 标签: AIRPAX 67F 67 温度开关

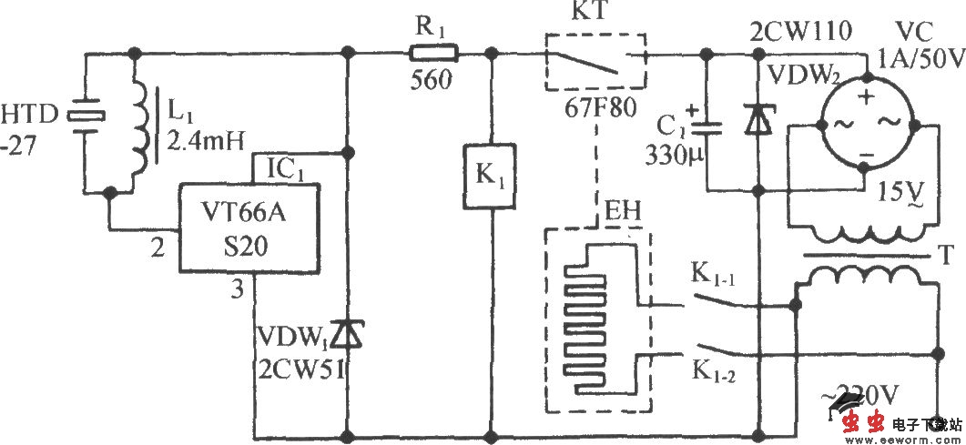
使用AIRPAX67F温度开关的电烤箱控制电路

如图所示电路,它由温度开关电路、音响发声电路和交流降压整流电路等组成。将它装在电烤箱或工业烘箱上,可控制烘、烤温度在给定的温度范围内。AIRPAX67F是一种机械触点式固体开关器件,可用来进行温度检测、过热控制和恒温控制,其触点可直接控制负载电流1A以下的温控器件。

觉得这篇文章有帮助吗?