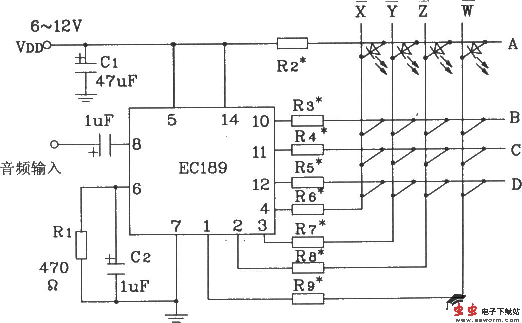
音响彩灯控制集成电路ECl89的典型应用电路图

📅 发布时间:2013-10-02 16:10 👁️ 浏览:1 🏷️ 标签: ECl 89 音响 彩灯控制

音响彩灯控制集成电路ECl89的典型应用电路图

音响彩灯控制集成电路ECl89的典型应用电路图

此图可将多种颜色的发光管按一定的方式进行组合排列,就可行到多种如:旋转、扩散、流水、循环条状及放射状的彩色闪光效果。

觉得这篇文章有帮助吗?