声控式音乐彩灯电路(1)

📅 发布时间:2013-10-02 15:50 👁️ 浏览:0 🏷️ 标签: 声控 音乐彩灯 电路

声控式音乐彩灯电路(1)

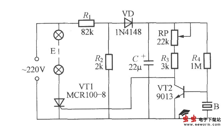
声控式音乐彩灯的特点是它与音响设备不需要任何导线连接,而直接采用声波控制,就能使彩灯随音箱播放的音乐节奏而闪烁,故使用十分方便,其电路如图所示。RP可用来调节声控灵敏度。

觉得这篇文章有帮助吗?