用DZS-01的多功能电风扇控制电路

📅 发布时间:2013-10-02 05:20 👁️ 浏览:0 🏷️ 标签: DZS 01 多功能 电风扇

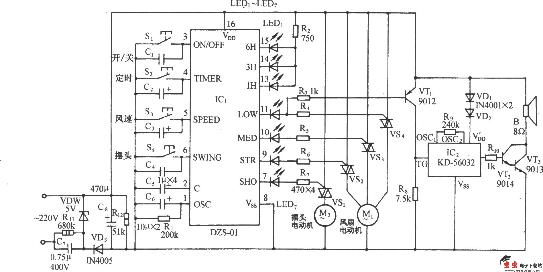
用DZS-01的多功能电风扇控制电路

如图所示电路,它是以电风扇控制专用集成电路DZS-01为核心组成的,在开机吹风的同时,还会伴有优美的大自然音响,给人以美的享受。

觉得这篇文章有帮助吗?