音响电平LED与数码双显示电路

📅 发布时间:2013-09-30 07:00 👁️ 浏览:0 🏷️ 标签: LED 音响 电平 数码

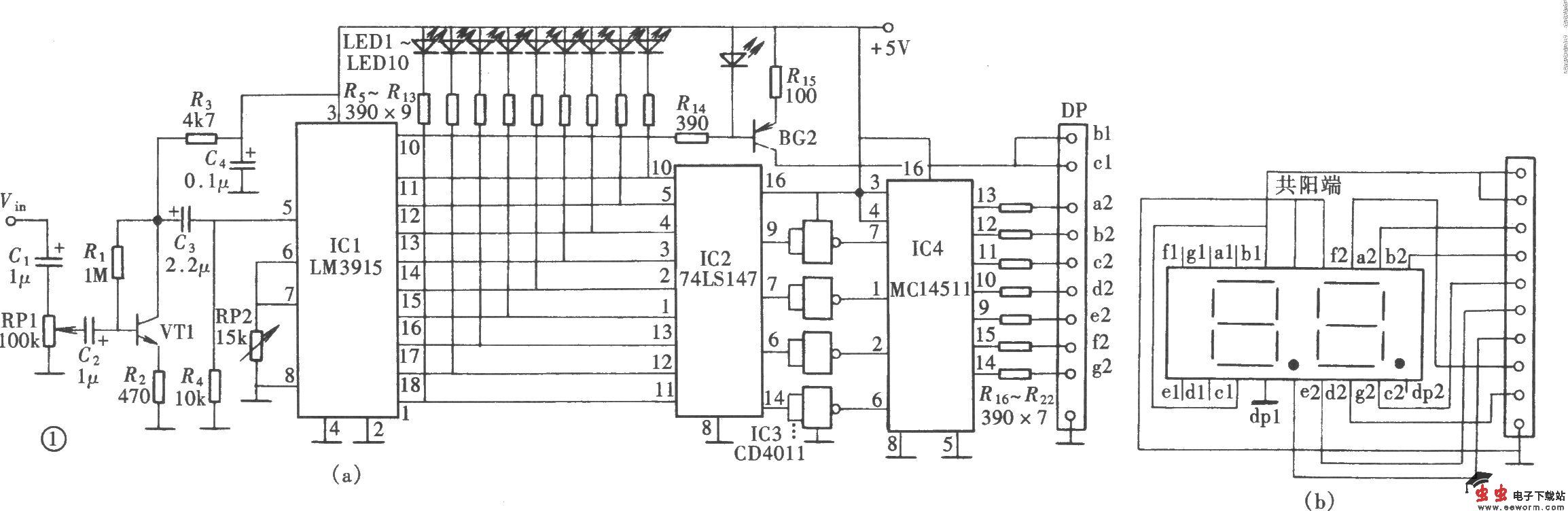
在音响电路中,最常用的输出电平显示方式是LED显示方式。如果在LED显示器中加入数码显示,更显得新颖别致,这种显示电路的原理如图所示。

音响电平LED与数码双显示电路 

觉得这篇文章有帮助吗?