
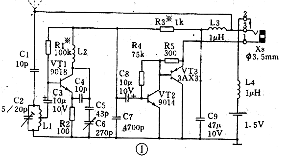
收音机电路见图1。它的新颖之处在于前级晶体管VT1以不同于超再生式及超外的方式进行工作,同时具有混频、本振、锁相环同步检波及低频放大4种功能。L1、C2组成Q值较低的FM频段(87MHz-108MHZ)宽带输入回路,中心频率98MHZ。L2、C5、C6组成本振调谐回路,本振频率为输入接收频率接收频率及本振信号的二次谐波,混频后输出的中频信号落在音频范围内。由于VT1的输出电导是集电极电流的函数,所以它一身具有控制本振频率的功能。
VT1作为本机振荡器时,接成共基极电路,由于 L1、C2对本振频率失谐,所以VT1的基极等效接地。
VT1作为混频器时,则为共发射极电路。
VT1作为同频检波器时,也是共基极电路,这是国为C3取值很大,对音频信号容抗很小,可认为VT1的基极交流接地。此时音频(即混频后所得的中频)信号的放大倍数约为R3/R2。C7为高频旁路电路,用于将检波后的载频成分旁路。VT1的本振频率在一定范围内受控于输入信号频率,这是因为当本振信号的二次谐波接近于一个调频电台的发射频率时,VT1的集成电极电流中将有二者混频后输出的音频成,使VR1的输出电导随之改变,使本振频率也发生变化,即本振频率与外来信号同步,与锁相接收的原理完全类似,具有AFC功能。
此接收电路的灵敏度可与超再生式电路媲美,却没有超再生噪声。由于本振频率与输入信号频率的差值很大,因此FM段的本振辐射较小。当旋转C6调谐到调频电台时,在R3上产生的音频信号加幅度可达数十毫伏,与被接信号的强弱基本无关。此音频信号经C8耦全至VT2、VT3组成的简单低频放大器,将信号放大并驱动低阻抗耳机(8Ω)发声。耳机的长引线在这里巧妙充当了接收天线,以提高接收灵敏度。L3、L4为高频扼流圈,它以音频信号早畅通无阻,却阻止高频信号流通,防止耳机线接收的调频广播信号被电流及C9旁路。C9为电源滤波电容,避免电路产生低频自激。
为了进一频提高接收灵敏度,也可如图1虚线所示,焊上一段2M长的软线作天线。
制作时,C6采用7/270PF的小型密封双联可变电容器(如CMB-202),只使用其中的一联。VT1选用FT≤800MHZ超高频管9018,β>80.VT2选用高放大倍数的三极管9014。VT3选用小功率锗管3AX31,漏电要小。L1用φ0.5MM漆包线在φ4mm钻头上音绕5匝(匝距为1MM)后脱胎成空心线圈,有中心抽头,L2用φ0.5MM漆包线在φ4MM钻头上间绕15匝(匝距也为1MM)后脱胎成空心线圈.L3、L4可购市售色码电感。电阻均使用1/8W四色环碳膜电阻。电解电容器的耐压大于6V即可。其它无极性电容均使用小型瓷片电容。电源使用用1节5#电池。耳机插座可按图2将内簧片向内弯一点,以便耳机插头时收音机通电,拨出时收音机断电,兼起电源开关的作用。
整机安装在图3所示的66*50MM单片印制电路板上。高度较为简单,插入耳机后收音机通电,旋转C6应能收到调频电台的收音,此时微调R1使声音音纯真响亮。然后微调L2(拉开或压缩音距)使电台的位置与刻度盘基本相符。再微调L1使高,低端电路的灵敏度均匀,如觉得声音过响,可适当适当调整R3使音量合适。调整完毕,可给L1、L2封蜡,防止受震动后电感量发生变化。最后,给本机配上一个用彩色有机玻璃制成的外壳。
本机的灵敏度,在上海地区,不另接天线,仅用耳机引线充当接收天线,即可满意地收听上海电台及东方电台的全部调频广播。接收时,背景宁静,根本没有超再生式收音机的“沙沙”噪声,可与带降噪电路中档收音机媲美。