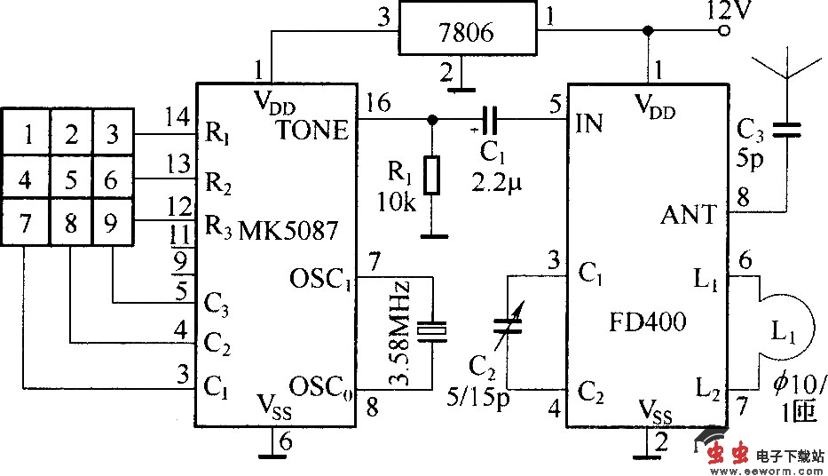
FDD400-1和JDD400-1组成数字式无线寻呼系统

📅 发布时间:2013-09-27 09:05 👁️ 浏览:1 🏷️ 标签: 400 FDD JDD 组成数

编码发射电路(MK5087是DTMF编码器):

FDD400-1和JDD400-1组成数字式无线寻呼系统

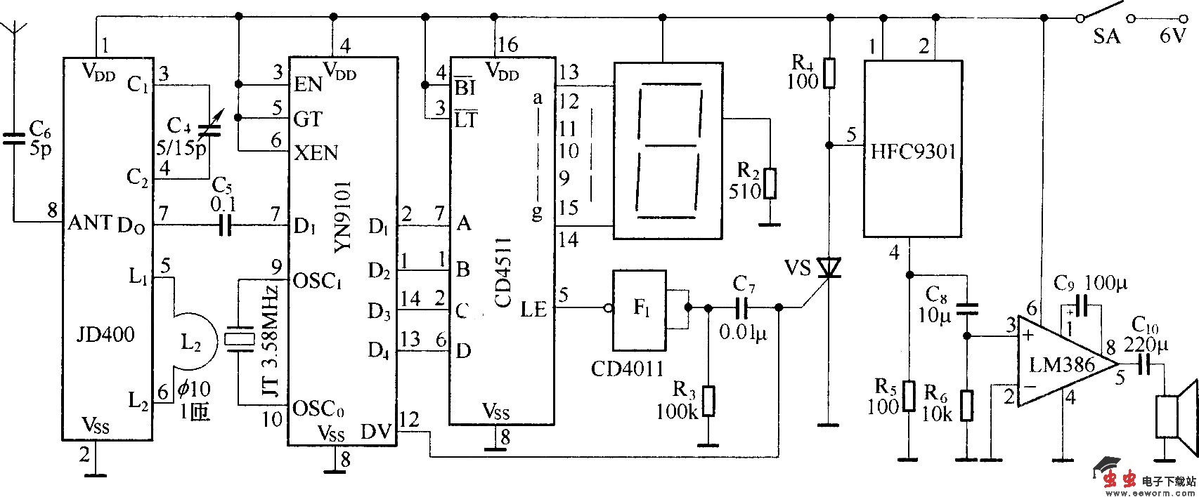
接收译码电路(YN9101是DTMF译码器,HFC9301是警示音发生电路,LM386是音响功放电路)

FDD400-1和JDD400-1组成数字式无线寻呼系统

觉得这篇文章有帮助吗?