D7630是一只具有直流音量、音调、平衡控制功能的专用集成电路。它具有较强的控制功能,可作为双声道音响功放电路的多功能控制电路。在通常的使用中,它一般都采用手动控制,通过电位器调节直流电压的高低,达到控制的目的。该电路采用数/模转换电路,将数字电路输出的脉冲转换为直流电压,不仅可达到同样的控制目的,而且可实现遥控。其电路组成如图所示,由五通道红外遥控信号发射器、红外线接收放大器、通道译码器、数/模电压转换器和音量控制电路组成。
五通道红外遥控信号发射器:

五通道音响设备红外遥控器:
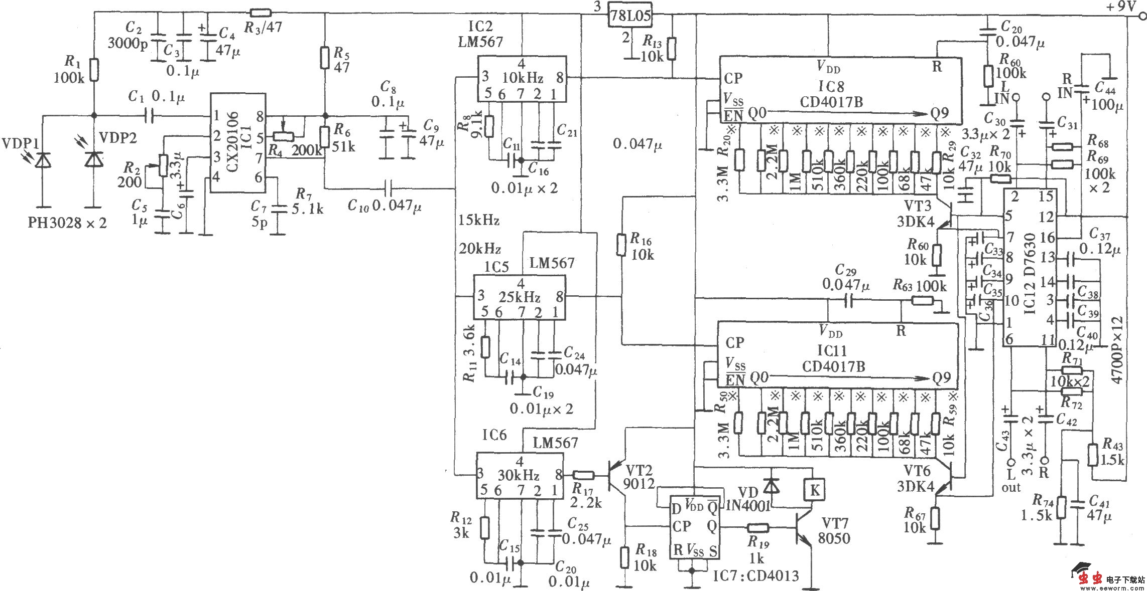
D7630是一只具有直流音量、音调、平衡控制功能的专用集成电路。它具有较强的控制功能,可作为双声道音响功放电路的多功能控制电路。在通常的使用中,它一般都采用手动控制,通过电位器调节直流电压的高低,达到控制的目的。该电路采用数/模转换电路,将数字电路输出的脉冲转换为直流电压,不仅可达到同样的控制目的,而且可实现遥控。其电路组成如图所示,由五通道红外遥控信号发射器、红外线接收放大器、通道译码器、数/模电压转换器和音量控制电路组成。
五通道红外遥控信号发射器:

五通道音响设备红外遥控器: