电路工作原理
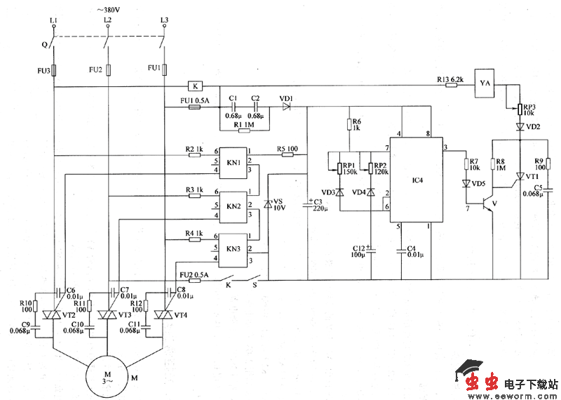
该自动投料控制器电路由电源电路、脉冲振荡器、电磁控制电路和电动机控制电路组成,如图所示。

电源电路由刀开关Q、熔断器FU1~FU3、降压电容器C1、C2、泄放电阻器R1、控制开关S、继电器K、整流二极管VD1、稳压二极管VS和滤波电容器C3组成。
脉冲振荡器由电阻器R6、电位器RP1、RP2、二极管VD3、VD4、电容器C4、C12和时基集成电路IC组成。
电磁铁控制电路由电磁铁VA、电阻器R7~R9、R13、电位器RP3、二极管VD2、VD5、晶体管V、电容器C5和晶闸管VT1组成。
电动机控制电路由电动机M、晶间管VT2~VT4、电阻器R2~R4、R10~R12、电容器C6~C11和固态继电器KN1~KN3组成。
接通刀开关Q和控制开关S后,继电器K通电吸合,其常开触点接通,相线L2、L3上的交流电压经C1和C2降压、VD1整流、VS稳压及C3滤波后,为IC提供+10V工作电压。+10V电压还经R5为KN1~KN3提供工作电压,使KN1~KN3内部的发光二极管和光敏晶闸管导通,VT2~VT4受触发导通,电动机M通电运转。
脉冲振荡器通电工作后,从IC的3脚输出占空比可调的脉冲信号。该脉冲信号通过R7、VD5和V使VT1间歇导通,控制VA间歇工作而产生振动,储料仓中的铒料被振动下来后落在由电动机M驱动的转盘上,转盘飞速旋转通过抛料出口将铒料抛投出去。
调节RP1和RP2的阻值,可改变振荡脉冲信号的占空比,从而改变电磁铁VA振动的频率。
调节RP3的阻值,可改变VA振动的强弱。
元器件选择
R1~R12选用14W金属膜电阻器或碳膜电阻器;R13选用4W以上的金属膜电阻器或线绕电阻器。
RP1和RP2均选用小型合成膜电阻器;RP3选用带锁定装置的线绕电位器。
C1、C2、C9~C11均选用耐压值为630V的CBB聚丙烯电容器;C4~C8选用独石电容器或涤纶电容器;C3和C12选用耐压值为16V的铝电解电容器。
VD1、VD2和VD5均选用1N4007型硅整流二极管;VD3和VD4均选用1N4148型硅开关二极管。
VS选用1W、10V的硅稳压二极管,例如1N4740等型号。
V选用59013或58050型硅NPN晶体管。
VT1选用MCR100-8型晶闸管;VT2~VT4均选用8A、600V的双向晶闸管。
IC选用NE555或561555型时基集成电路。
KN1~KN3均选用M0S3020型固态继电器。
YA选用380V牵动电磁铁。
K选用380V电压继电器。
M选用0.75~1.1 kW的小型三相异步电动机,例如Y801-2(0.75kW、380V、2800r/min)等型号。