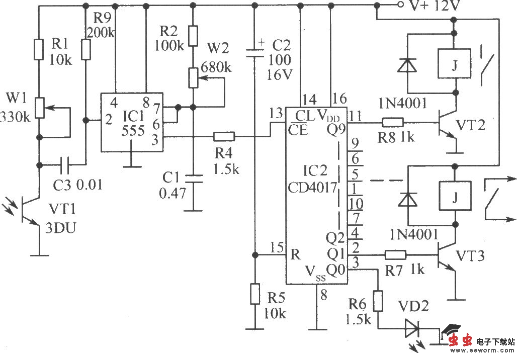
如图所示是连续闪光摄影控制电路,它可实现主闪光灯闪光一次,带动其余9个闪光灯依次闪光,然后进入等待状态,等待下一次主闪光灯动作,这样可以自动连续完成10次摄影。元器件选择:IC1选择555时基电路,IC2选择CD4017集成电路。VT1选择应使暗阻与亮阻的比值较大的3DU光敏三极管,这样可以提高电路的可靠性;VT2与VT3选择3DG型三极管。其他元件无特殊要求。 摄影控制电路
如图所示是连续闪光摄影控制电路,它可实现主闪光灯闪光一次,带动其余9个闪光灯依次闪光,然后进入等待状态,等待下一次主闪光灯动作,这样可以自动连续完成10次摄影。元器件选择:IC1选择555时基电路,IC2选择CD4017集成电路。VT1选择应使暗阻与亮阻的比值较大的3DU光敏三极管,这样可以提高电路的可靠性;VT2与VT3选择3DG型三极管。其他元件无特殊要求。 觉得这篇文章有帮助吗?