能发出各种提示语言的电路

📅 发布时间:2013-10-08 12:05 👁️ 浏览:1 🏷️ 标签: 语言 电路
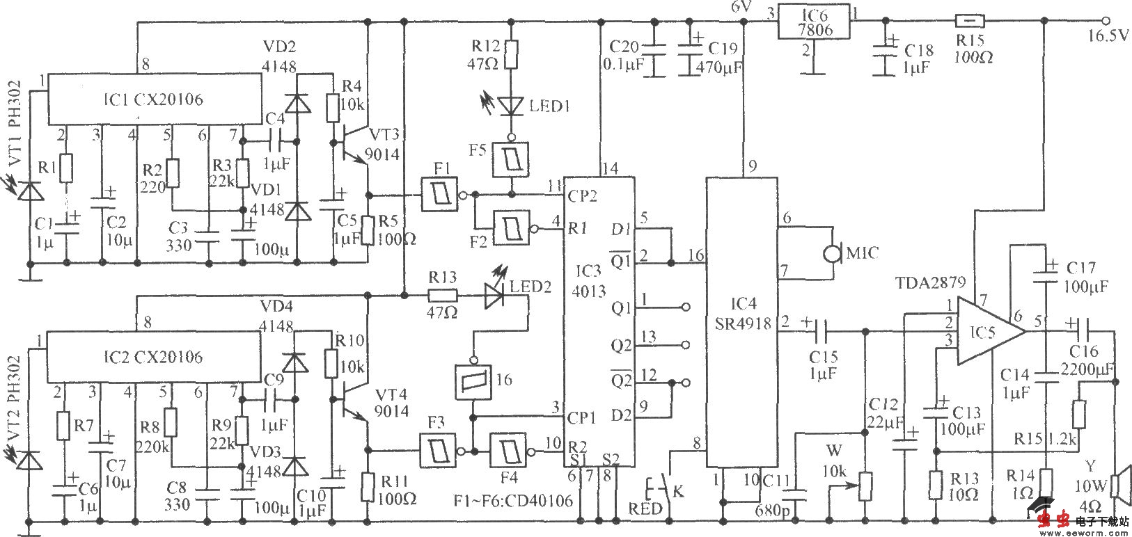
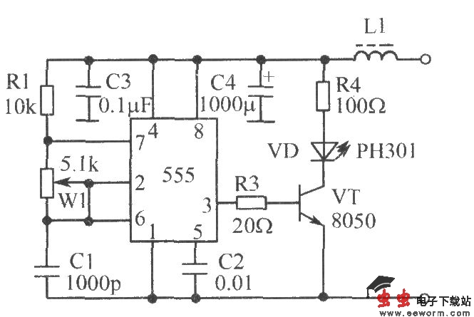
该电路采用红外光作主动光源,如装在大门口,在红外线照射区域内,当有人走过遮挡了红外线时,能自动判断人是走进还是走出,进而发出相应的语音提醒,完成语言执勤的任务。例如:有人进入油库重地,会提醒“严禁烟火”;进入旅游区,能劝告“爱护公物,注意卫生”;进入宾馆、超级市场,则敬告“欢迎光临”;当来客离开时,可喊出“再见”。该电路适于需要语言服务的公共场所和特定区域。它由红外发射电路和红外接收电路组成。红外发射电路:双红外接收头、方向识别、语音处理电路:
觉得这篇文章有帮助吗?