由CD4011构成的鸡舍自动补光灯控制电路

📅 发布时间:2013-10-08 09:00 👁️ 浏览:2 🏷️ 标签: 4011 CD 自动 光灯

本电路图所用到的元器件:

CCD4011

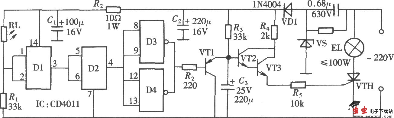
夜间给鸡舍补光,增加对鸡的光照时间,可以提高鸡的产蛋率,如图所示的自动补光灯控制电路由一只光敏电阻RL和一只四-二输入端与非门CD4011组成光控电路,由3只晶体管组成双向晶闸管的触发电路,用一只单向晶闸管作为电灯控制开关。

觉得这篇文章有帮助吗?