电话线路状态告知器

📅 发布时间:2013-10-08 04:00 👁️ 浏览:1 🏷️ 标签: 电话线路 状态 告知器

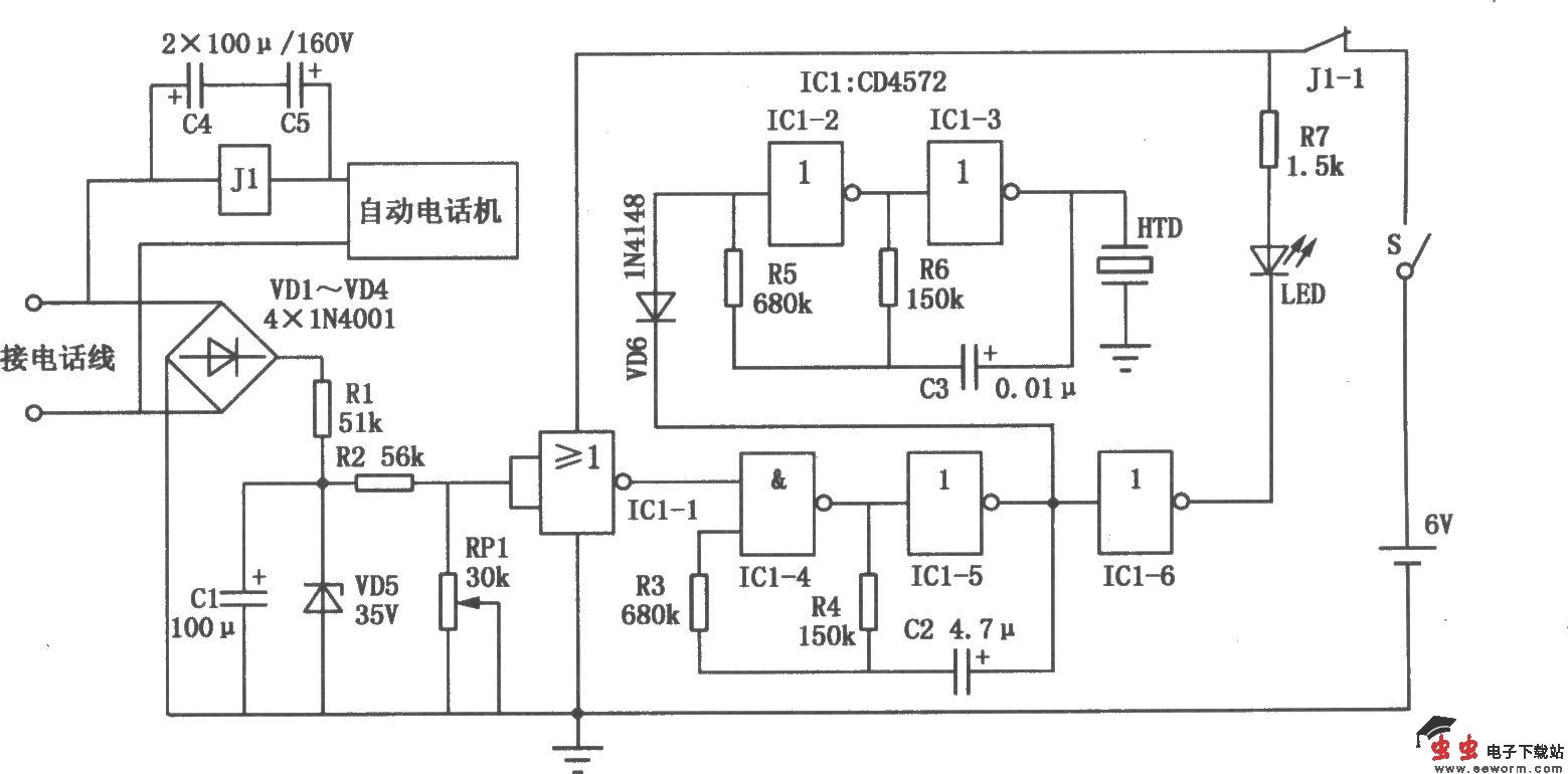
电话线路状态告知器电路如图所示。它是一种用来对电话线路的断路、短路等故障进行监视的装置,当出现上述情况时,该装置可自动发出声光信号告知故障发生。此外,若有人盗打电话时,该装置同样会发出声光信号报警。

觉得这篇文章有帮助吗?