共射共基振荡器

📅 发布时间:2013-10-05 13:00 👁️ 浏览:0 🏷️ 标签: 共射 共基 振荡器

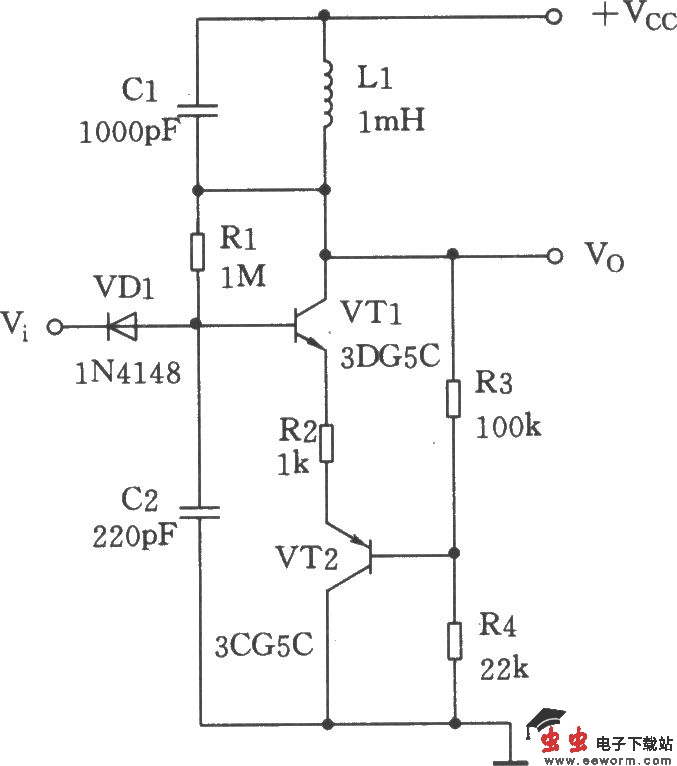
共射共基振荡器

如图所示给出一种具有高稳定度等许多优点的简易振荡器。电路可以自动启动,工作时l2V供电仅需lmA电流。驱动电路是D类放大器,输出阻抗低,输出幅度大,具有2~24V的宽工作电压范围,频率特性和波形纯度均不错。调整Ll、Cl参数决定振荡频率。按图中所选元件参数值时其频率为l60kHz,时间常数Rl、Cl应比振荡周期长。

觉得这篇文章有帮助吗?