JHo-751半自动货梯控制柜

📅 发布时间:2013-10-03 22:50 👁️ 浏览:0 🏷️ 标签: JHo 751 半自动 控制柜

JHo-751半自动货梯主电路:

JHo-751半自动货梯控制柜

JH0一751半自动货梯控制电路(1):

JHo-751半自动货梯控制柜

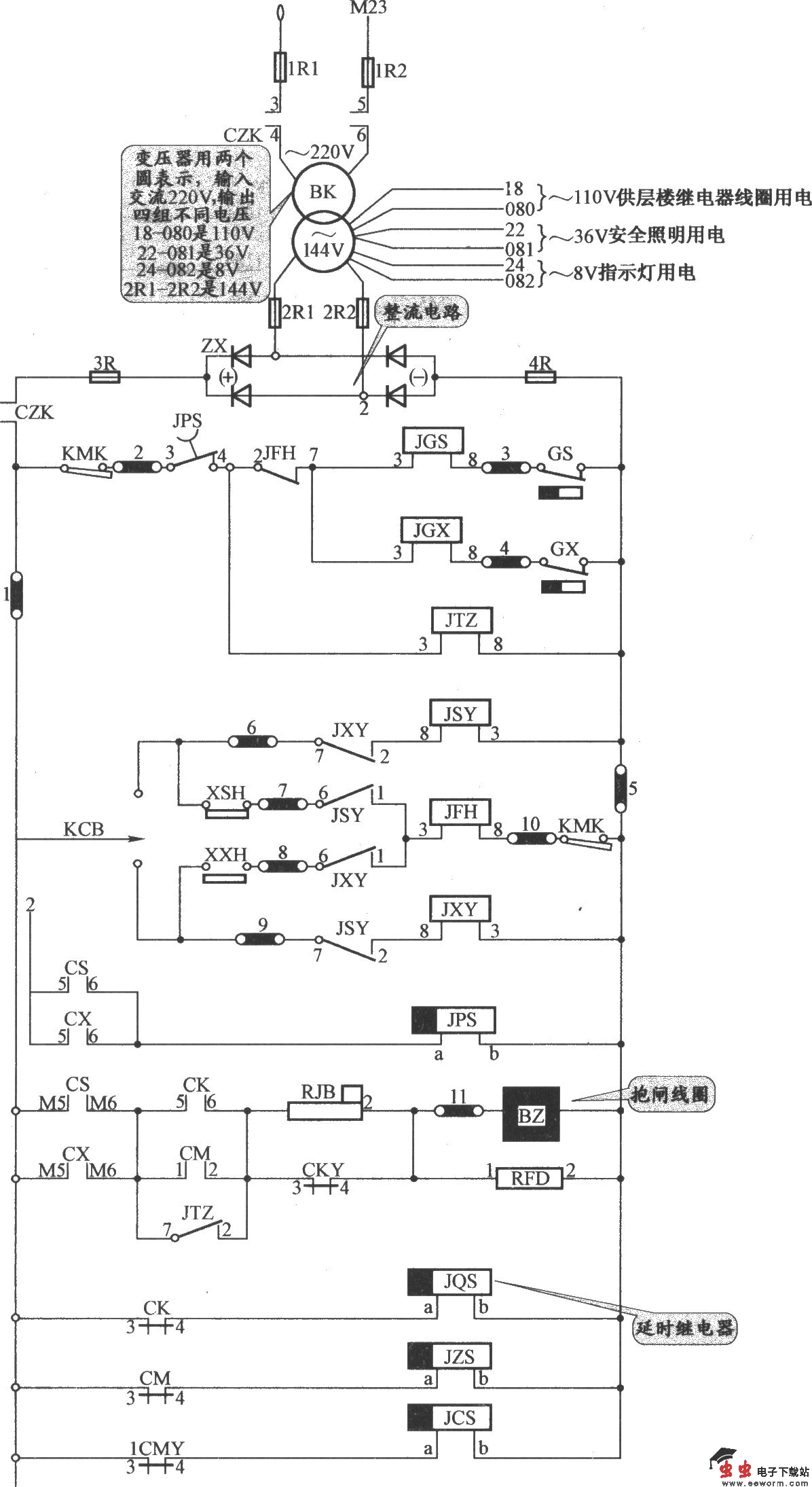
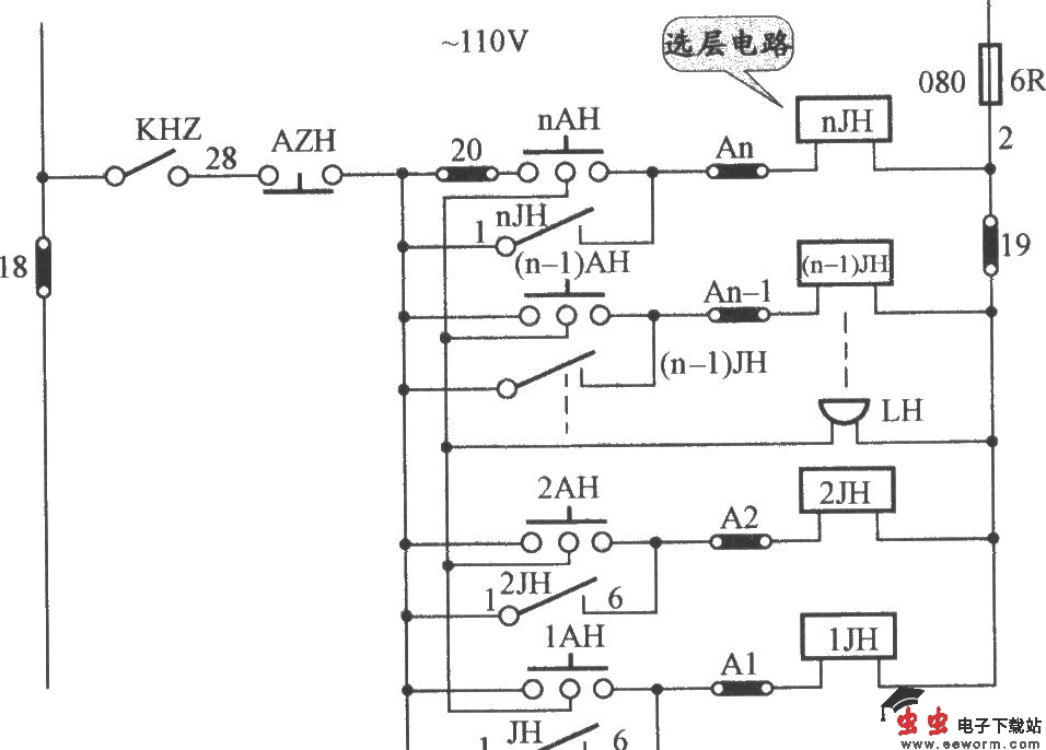
JHo-751半自动货梯控制电路(2):

JHo-751半自动货梯控制柜

JHo-751半自动货梯按钮电路:

JHo-751半自动货梯控制柜

JHo-751半自动货梯按钮指示电路:

JHo-751半自动货梯控制柜

JHo-751半自动货梯照明电路(1):

JHo-751半自动货梯控制柜

JHo-751半自动货梯照明电路(2):

JHo-751半自动货梯控制柜 

觉得这篇文章有帮助吗?