LD168音频压控闪光装饰控制电路

📅 发布时间:2013-09-12 01:40 👁️ 浏览:0 🏷️ 标签: 168 LD 音频 压控

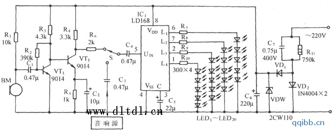
      图中,LD168是一种为收录机闪光音箱作声级指示的专用集成电路。它有四路输出,可直接驱动多个发光二极管,也可驱动可控硅器件带动彩灯发光。

觉得这篇文章有帮助吗?